| key | PART NO. | PART NAME | QTY | SERIAL NO. | REMARKS | |
|---|---|---|---|---|---|---|
| 1 | H201111 | Шпиндель | 2 | |||
| 2 | RE49243 | Сальник | 2 | |||
| 3 | JD8966 | Внутр. кольцо подшипника | 2 | |||
| 4 | AH168054 | Шпиндель | 1 | RH; MARKED H174080 | ||
| 5 | JD7448 | Наружн. кольцо подшипн. | 2 | |||
| 6 | R57269 | Маслосборник | 2 | |||
| 7 | JD9109 | Наружн. кольцо подшипн. | 2 | |||
| 8 | H201736 | Втулка | 4 | |||
| 9 | JD7759 | Смазочная арматура | 2 | |||
| 10 | JD9043 | Внутр. кольцо подшипника | 2 | |||
| key | PART NO. | PART NAME | QTY | SERIAL NO. | REMARKS | |
| 11 | H203322 | Шайба | 2 | |||
| 12 | H201112 | Стопорная гайка | 2 | |||
| 13 | H201114 | Шпонка вала | 2 | |||
| 14 | H32300 | Пружинное кольцо | 2 | |||
| 15 | T12529 | Заглушка | 2 | |||
| 16 | 40M7117 | Пружинное кольцо | 2 | |||
| 17 | AR86539 | Сальник | 4 | |||
| 18 | H208344 | Вилка | 2 | |||
| 19 | R60239 | Упорная шайба | 4 | |||
| 20 | H164561 | Штифт | 3 | |||
| key | PART NO. | PART NAME | QTY | SERIAL NO. | REMARKS | |
| 21 | 19M7786 | Винт | 12 | M10 X 30 | ||
| 22 | AXE54005 | Корпус | 1 | LH; MARKED HXE95520; SUB FOR AXE42648 OR AXE11073 | ||
| 23 | AXE62147 | Датчик | 1 | SUB FOR AXE11477 | ||
| 24 | H35226 | Пружинное кольцо | 1 | |||
| 25 | DE31071 | Колпачок | 1 | SUB FOR HXE14705 | ||
| 26 | 19M9475 | Винт | 2 | M4 X 30 | ||
| 27 | 12M7084 | Стопорная шайба | 2 | 4.300 mm | ||
| 28 | P48347 | Уплотнительное кольцо | 1 | |||
| 29 | AXE44916 | Ось | 1 | SUB FOR AN279831 | ||
| 30 | 34H227 | Пружинный шплинт | 1 | 3/32" X 1/2" | ||
| key | PART NO. | PART NAME | QTY | SERIAL NO. | REMARKS | |
| 31 | R126814 | Ведущий вал | 1 | |||
| 32 | N375368 | Сальник | 1 | |||
| 33 | N375367 | Втулка | 1 | |||
| 34 | CE31883 | Болт | 2 | |||
| 35 | 25M3827 | Штифт с канавкой | 4 | 3 X 8 mm | ||
| 36 | HXE16335 | Штифт | 1 | |||
| 37 | JD7799 | Смазочная арматура | 2 | |||
| 38 | P45750 | Уплотнительное кольцо | 1 | |||
| 39 | AN278367 | Стопор | 1 |
| key | PART NO. | PART NAME | QTY | SERIAL NO. | REMARKS | |
|---|---|---|---|---|---|---|
| 1 | AE38448 | Редукционный клапан | 1 | |||
| 2 | DE31399 | Привод | 1 | SUB FOR AXE10562 | ||
| 3 | AH112401 | Сальник | 1 | |||
| 4 | AH128391 | Сальник | 1 | |||
| 5 | AH155232 | Кольц. упл. V-обр. сеч. | 1 | |||
| 6 | AH156971 | Линия | 1 | |||
| 7 | H118882 | Пружинное кольцо | 1 | |||
| 8 | H125330 | Шпонка вала | 1 | |||
| 9 | H154720 | Колпачок | 1 | |||
| 10 | H161540 | Колпачок | 1 | |||
| key | PART NO. | PART NAME | QTY | SERIAL NO. | REMARKS | |
| 11 | H161541 | Прокладка | 2 | TK = 0.5 mm | ||
| 12 | H161542 | Прокладка | 1 | TK = 0.25 mm | ||
| 13 | H161543 | Прокладка | 2 | TK = 0.13 mm | ||
| 14 | H161871 | Кольц. упл. V-обр. сеч. | 1 | |||
| 15 | H163694 | Корпус | 1 | |||
| 16 | H163745 | Прокладка | 2 | TK = 0.076 mm | ||
| 17 | DE31426 | Комплект зубчатых колес | 1 | SUB FOR APPL H167722 AND H167723 | ||
| 18 | AXE63131 | Подшипниковый комплект | 1 | |||
| 19 | H225886 | Корпус | 1 | LH INNER | ||
| 20 | H22784 | Пружинное кольцо | 1 | |||
| key | PART NO. | PART NAME | QTY | SERIAL NO. | REMARKS | |
| 21 | AN372757 | Конич. роликов. подшипник | 1 | SUB FOR JD10134 | ||
| 22 | N380472 | Наружн. кольцо подшипн. | 1 | SUB FOR JD10135 | ||
| 23 | JD10266 | Внутр. кольцо подшипника | 1 | ORDER AXE63131 | ||
| 24 | JD7228 | Внутр. кольцо подшипника | 2 | |||
| 25 | JD7278 | Наружн. кольцо подшипн. | 2 | |||
| 26 | JD7298 | Наружн. кольцо подшипн. | 1 | ORDER AXE63131 | ||
| 27 | JD7760 | Смазочная арматура | 1 | |||
| 28 | R35352 | Фитинг | 2 | |||
| 29 | R54380 | Установочный штифт | 2 | |||
| 30 | R90080 | Маслосборник | 1 | |||
| key | PART NO. | PART NAME | QTY | SERIAL NO. | REMARKS | |
| 31 | 15H584 | Трубная заглушка | 4 | 1/2" | ||
| 32 | 15H638 | Трубная заглушка | 1 | 1/8" | ||
| 33 | 19M7824 | Винт | 12 | M16 X 60 | ||
| 34 | 19M7835 | Винт | 4 | M10 X 35 | ||
| 35 | HXE10955 | Шпиндель | 1 | FRONT | ||
| 36 | N380924 | Гайка | 1 | |||
| 37 | H129557 | Распорная втулка | 1 | |||
| 38 | 25M3827 | Штифт с канавкой | 2 | 3 X 8 mm |
| key | PART NO. | PART NAME | QTY | SERIAL NO. | REMARKS | |
|---|---|---|---|---|---|---|
| 1 | AE38448 | Редукционный клапан | 1 | |||
| 2 | DE31400 | Привод | 1 | SUB FOR AXE10563 | ||
| 3 | AH112401 | Сальник | 1 | |||
| 4 | AH128391 | Сальник | 1 | |||
| 5 | AH155232 | Кольц. упл. V-обр. сеч. | 1 | |||
| 6 | AH156971 | Линия | 1 | |||
| 7 | H118882 | Пружинное кольцо | 1 | |||
| 8 | H125330 | Шпонка вала | 1 | |||
| 9 | H154720 | Колпачок | 1 | |||
| 10 | H161540 | Колпачок | 1 | |||
| key | PART NO. | PART NAME | QTY | SERIAL NO. | REMARKS | |
| 11 | H161541 | Прокладка | 2 | TK = 0.5 mm | ||
| 12 | H161542 | Прокладка | 1 | TK = 0.25 mm | ||
| 13 | H161543 | Прокладка | 2 | TK = 0.13 mm | ||
| 14 | H161871 | Кольц. упл. V-обр. сеч. | 1 | |||
| 15 | H163694 | Корпус | 1 | |||
| 16 | H163745 | Прокладка | 2 | TK = 0.076 mm | ||
| 17 | DE31426 | Комплект зубчатых колес | 1 | SUB FOR APPL H167722 AND H167723 | ||
| 18 | AXE63131 | Подшипниковый комплект | 1 | |||
| 19 | H225885 | Корпус | 1 | RH | ||
| 20 | H22784 | Пружинное кольцо | 1 | |||
| key | PART NO. | PART NAME | QTY | SERIAL NO. | REMARKS | |
| 21 | AN372757 | Конич. роликов. подшипник | 1 | SUB FOR JD10134 | ||
| 22 | N380472 | Наружн. кольцо подшипн. | 1 | SUB FOR JD10135 | ||
| 23 | JD10266 | Внутр. кольцо подшипника | 1 | ORDER AXE63131 | ||
| 24 | JD7228 | Внутр. кольцо подшипника | 2 | |||
| 25 | JD7278 | Наружн. кольцо подшипн. | 2 | |||
| 26 | JD7298 | Наружн. кольцо подшипн. | 1 | ORDER AXE63131 | ||
| 27 | JD7760 | Смазочная арматура | 1 | |||
| 28 | R35352 | Фитинг | 2 | |||
| 29 | R54380 | Установочный штифт | 2 | |||
| 30 | R90080 | Маслосборник | 1 | |||
| key | PART NO. | PART NAME | QTY | SERIAL NO. | REMARKS | |
| 31 | 15H584 | Трубная заглушка | 4 | 1/2" | ||
| 32 | 15H638 | Трубная заглушка | 1 | 1/8" | ||
| 33 | 19M7824 | Винт | 12 | M16 X 60 | ||
| 34 | 19M7835 | Винт | 4 | M10 X 35 | ||
| 35 | HXE10955 | Шпиндель | 1 | FRONT | ||
| 36 | N380924 | Гайка | 1 | |||
| 37 | H129557 | Распорная втулка | 1 | |||
| 38 | 25M3827 | Штифт с канавкой | 2 | 3 X 8 mm |
| key | PART NO. | PART NAME | QTY | SERIAL NO. | REMARKS | |
|---|---|---|---|---|---|---|
| 1 | H131754 | Штифт | 4 | |||
| 2 | H133229 | Пружинное кольцо | 6 | |||
| 3 | H134444 | Гильза | 2 | |||
| 4 | H165665 | Ось | 1 | RH | ||
| 5 | H165666 | Ось | 1 | LH | ||
| 6 | H166201 | Гильза | 2 | |||
| 7 | HXE30611 | Шлицевое соединение | 4 |
| key | PART NO. | PART NAME | QTY | SERIAL NO. | REMARKS | |
|---|---|---|---|---|---|---|
| 1 | H131754 | Штифт | 6 | |||
| 2 | H133229 | Пружинное кольцо | 10 | |||
| 3 | H134444 | Гильза | 4 | |||
| 4 | H165665 | Ось | 1 | RH | ||
| 5 | H165666 | Ось | 1 | LH | ||
| 6 | H166201 | Гильза | 2 | |||
| 7 | HXE30611 | Шлицевое соединение | 6 | |||
| 8 | H176465 | Ось | 2 |
| key | PART NO. | PART NAME | QTY | SERIAL NO. | REMARKS | |
|---|---|---|---|---|---|---|
| 1 | H131754 | Штифт | 6 | |||
| 2 | H133229 | Пружинное кольцо | 10 | |||
| 3 | H134444 | Гильза | 4 | |||
| 4 | H165665 | Ось | 1 | RH | ||
| 5 | H165666 | Ось | 1 | LH | ||
| 6 | H166201 | Гильза | 2 | |||
| 7 | HXE30611 | Шлицевое соединение | 6 | |||
| 8 | H165661 | Ось | 2 |
| key | PART NO. | PART NAME | QTY | SERIAL NO. | REMARKS | |
|---|---|---|---|---|---|---|
| 1 | BH92111 | Ось | 1 |
| key | PART NO. | PART NAME | QTY | SERIAL NO. | REMARKS | |
|---|---|---|---|---|---|---|
| 1 | H131754 | Штифт | 6 | |||
| 2 | H133229 | Пружинное кольцо | 10 | |||
| 3 | H134444 | Гильза | 4 | |||
| 4 | H165665 | Ось | 1 | RH | ||
| 5 | H165666 | Ось | 1 | LH | ||
| 6 | H166201 | Гильза | 2 | |||
| 7 | HXE30611 | Шлицевое соединение | 6 | |||
| 8 | H165662 | Ось | 2 |
| key | PART NO. | PART NAME | QTY | SERIAL NO. | REMARKS | |
|---|---|---|---|---|---|---|
| 1 | BH92113 | Ось | 1 |
| key | PART NO. | PART NAME | QTY | SERIAL NO. | REMARKS | |
|---|---|---|---|---|---|---|
| 1 | BH92114 | Комплект ручек | 1 |
| key | PART NO. | PART NAME | QTY | SERIAL NO. | REMARKS | |
|---|---|---|---|---|---|---|
| 1 | BH92108 | Ось | 1 |
| key | PART NO. | PART NAME | QTY | SERIAL NO. | REMARKS | |
|---|---|---|---|---|---|---|
| 1 | BH92257 | Комплект ручек | 1 |
| key | PART NO. | PART NAME | QTY | SERIAL NO. | REMARKS | |
|---|---|---|---|---|---|---|
| 1 | H131754 | Штифт | 6 | |||
| 2 | H133229 | Пружинное кольцо | 10 | |||
| 3 | H134444 | Гильза | 4 | |||
| 4 | H165665 | Ось | 1 | RH | ||
| 5 | H165666 | Ось | 1 | LH | ||
| 6 | H166201 | Гильза | 2 | |||
| 7 | HXE30611 | Шлицевое соединение | 6 | |||
| 8 | H165663 | Ось | 2 |
| key | PART NO. | PART NAME | QTY | SERIAL NO. | REMARKS | |
|---|---|---|---|---|---|---|
| 1 | H131754 | Штифт | 6 | |||
| 2 | H133229 | Пружинное кольцо | 10 | |||
| 3 | H134444 | Гильза | 4 | |||
| 4 | H165665 | Ось | 1 | RH | ||
| 5 | H165666 | Ось | 1 | LH | ||
| 6 | H166201 | Гильза | 2 | |||
| 7 | HXE30611 | Шлицевое соединение | 6 | |||
| 8 | H165664 | Ось | 2 |
| key | PART NO. | PART NAME | QTY | SERIAL NO. | REMARKS | |
|---|---|---|---|---|---|---|
| 1 | 19M7783 | Винт | 4 | M10 X 16 | ||
| 2 | H166375 | Кронштейн | 2 | |||
| 3 | AH139895 | Щиток вала привода | 2 | |||
| 4 | 19M7788 | Винт | 2 | M12 X 25 | ||
| 5 | 14M7299 | Фланцевая гайка | 2 | M12 |
| key | PART NO. | PART NAME | QTY | SERIAL NO. | REMARKS | |
|---|---|---|---|---|---|---|
| 1 | 19M7783 | Винт | 4 | M10 X 16 | ||
| 2 | H166375 | Кронштейн | 2 | |||
| 3 | AH203808 | Щиток вала привода | 2 | |||
| 4 | 19M7788 | Винт | 2 | M12 X 25 | ||
| 5 | 14M7299 | Фланцевая гайка | 2 | M12 |
| key | PART NO. | PART NAME | QTY | SERIAL NO. | REMARKS | |
|---|---|---|---|---|---|---|
| 1 | 19M7783 | Винт | 4 | M10 X 16 | ||
| 2 | H166375 | Кронштейн | 2 | |||
| 3 | AH139896 | Щиток вала привода | 2 | |||
| 4 | 19M7788 | Винт | 2 | M12 X 25 | ||
| 5 | 14M7299 | Фланцевая гайка | 2 | M12 |
| key | PART NO. | PART NAME | QTY | SERIAL NO. | REMARKS | |
|---|---|---|---|---|---|---|
| 1 | 19M7783 | Винт | 4 | M10 X 16 | ||
| 2 | H166375 | Кронштейн | 2 | |||
| 3 | AH132238 | Щиток вала привода | 2 | |||
| 4 | 19M7788 | Винт | 2 | M12 X 25 | ||
| 5 | 14M7299 | Фланцевая гайка | 2 | M12 |
| key | PART NO. | PART NAME | QTY | SERIAL NO. | REMARKS | |
|---|---|---|---|---|---|---|
| 1 | 19M7783 | Винт | 4 | M10 X 16 | ||
| 2 | H166375 | Кронштейн | 2 | |||
| 3 | AH203809 | Щиток вала привода | 2 | |||
| 4 | 19M7788 | Винт | 2 | M12 X 25 | ||
| 5 | 14M7299 | Фланцевая гайка | 2 | M12 |
| key | PART NO. | PART NAME | QTY | SERIAL NO. | REMARKS | |
|---|---|---|---|---|---|---|
| 1 | DE30319 | Коробка передач | 1 |
| key | PART NO. | PART NAME | QTY | SERIAL NO. | REMARKS | |
|---|---|---|---|---|---|---|
| 1 | HXE37251 | Винт | 2 | |||
| 2 | 42M7028 | Шпилька | 2 | |||
| 3 | 19M7786 | Винт | AR | M10 X 30 | ||
| 4 | H146640 | Магистраль | 1 | |||
| 5 | DE19870 | Рычаг переключ. передач | 1 | |||
| 6 | R26207 | Каток | 2 | |||
| 7 | H76152 | Крепление со штифтом | 2 | |||
| 8 | DE19509 | Рычаг переключ. передач | 1 | |||
| 9 | N102039 | Заглушка | 1 | |||
| 10 | T76836 | Штифт | 1 | |||
| key | PART NO. | PART NAME | QTY | SERIAL NO. | REMARKS | |
| 11 | 14M7291 | Фланцевая гайка | 4 | M16 | ||
| 12 | 24M7338 | Шайба | 2 | 17 X 30 X 3 mm | ||
| 13 | L113217 | Зажимная скоба | AR | |||
| 14 | CE18201 | Корпус | 1 | |||
| 15 | R63308 | Уплотнительное кольцо | AR | |||
| 16 | 15H238 | Трубная заглушка | 1 | 3/4" |
| key | PART NO. | PART NAME | QTY | SERIAL NO. | REMARKS | |
|---|---|---|---|---|---|---|
| 1 | 19M7786 | Винт | 12 | M10 X 30 | ||
| 2 | Z13206 | Крышка | 1 | |||
| 3 | T27888 | Пружина | 1 | |||
| 4 | N105745 | Шар | 1 | |||
| 5 | H167375 | Эксцентрик | 1 | |||
| 6 | R71144 | Уплотнительное кольцо | 1 | |||
| 7 | H75700 | Шайба | 1 | |||
| 8 | CE18374 | Пружинный шплинт | 1 | |||
| 9 | AH128267 | Рукоять | 1 | (INCL A31871) | ||
| 10 | 51M7042 | Уплотнительное кольцо | 1 | 13.300 X 2.200 mm | ||
| key | PART NO. | PART NAME | QTY | SERIAL NO. | REMARKS | |
| 11 | RE46534 | Переключатель | 1 | |||
| 12 | Z70299 | Втулка | 1 | |||
| 13 | 21M5631 | Винт | 1 | M6 X 45 | ||
| 14 | 34M7071 | Пружинный шплинт | 1 | 10 X 35 mm | ||
| 15 | Z70300 | Винт | 1 | |||
| 16 | Z69965 | Сердечник | 1 | |||
| 17 | Z52951 | Шайба | 1 | |||
| 18 | Z70691 | Пружина сжатия | 1 | |||
| 19 | AZ55775 | Соленоид | 1 | |||
| 20 | 19M7077 | Винт с головкой | AR | M6 X 20 | ||
| key | PART NO. | PART NAME | QTY | SERIAL NO. | REMARKS | |
| 21 | 12M7133 | Стопорная шайба | AR | 6 mm | ||
| 22 | 14M7272 | Гайка | AR | M6 | ||
| 23 | R26906 | Уплотнительное кольцо | 1 | |||
| 24 | Z71385 | Ограждение | 1 | |||
| 25 | H141315 | Кронштейн | 1 | |||
| .. | A31871 | Стопорная гайка | 1 |
| key | PART NO. | PART NAME | QTY | SERIAL NO. | REMARKS | |
|---|---|---|---|---|---|---|
| 1 | AH128528 | Ротор | 1 | |||
| 2 | H82234 | Пластина | 1 | |||
| 3 | H82232 | Шайба | 1 | |||
| 4 | H82233 | Втулка | 1 | |||
| 5 | JD8257 | Наружн. кольцо подшипн. | 1 | |||
| 6 | AR94761 | Внутр. кольцо подшипника | 1 | |||
| 7 | R394R | Уплотнительное кольцо | 8 | |||
| 8 | H142030 | Корпус | 1 | |||
| 9 | 19M7786 | Винт | 3 | M10 X 30 | ||
| 10 | 15H638 | Трубная заглушка | 1 | 1/8" | ||
| key | PART NO. | PART NAME | QTY | SERIAL NO. | REMARKS | |
| 11 | H131296 | Масляная трубка | 1 | |||
| 12 | H132892 | Прокладка | AR | TK = 0.076 mm | ||
| H132893 | Прокладка | AR | TK = 0.127 mm | |||
| H132894 | Прокладка | AR | TK = 0.508 mm | |||
| 13 | U10776 | Уплотнительное кольцо | 1 | |||
| 14 | H131297 | Масляная трубка | 1 | |||
| 15 | 19M8162 | Винт | 1 | M10 X 40 | ||
| 16 | AH125228 | Фитинг | 1 | |||
| 17 | R495R | Уплотнительное кольцо | 2 | |||
| 18 | AH121580 | Сито | 1 | |||
| key | PART NO. | PART NAME | QTY | SERIAL NO. | REMARKS | |
| 19 | AH20868 | Сапун | 1 | |||
| 20 | 19M7844 | Винт | 4 | M16 X 45 | ||
| 21 | 42M7029 | Шпилька | 4 | |||
| 22 | H133165 | Кронштейн | 1 | |||
| 23 | JD8237 | Наружн. кольцо подшипн. | 1 | |||
| 24 | JD10182 | Внутр. кольцо подшипника | 1 | |||
| 25 | P43969 | Пружинное кольцо | 1 | |||
| 26 | CE18505 | Втулка | 1 | |||
| 27 | H129565 | Муфта переключателя | 1 | Z = 30 | ||
| 28 | Z62543 | Передача | 1 | Z = 32, (FOR 20 km/h) | ||
| key | PART NO. | PART NAME | QTY | SERIAL NO. | REMARKS | |
| H176278 | Передача | 1 | Z = 34, (FOR 25, 30 km/h) | |||
| 29 | 26M4228 | Шпонка вала | 1 | 8 X 28 mm | ||
| 30 | H75358 | Установочный штифт | 1 | |||
| 31 | H110539 | Жиклер | 1 | |||
| 32 | AH215149 | Вал сателлита | 1 | (INCL H110539) | ||
| Z12780 | Вал сателлита | 1 | ||||
| 33 | 15H585 | Трубная заглушка | 1 | 3/4" | ||
| 34 | H129525 | Шлицевое соединение | 1 | |||
| 35 | M41029 | Пружинное кольцо | 2 | |||
| 36 | 14M7299 | Фланцевая гайка | 4 | M12 | ||
| key | PART NO. | PART NAME | QTY | SERIAL NO. | REMARKS | |
| 37 | CE18201 | Корпус | 1 | |||
| 38 | 14H904 | Гайка | 1 | 3/4" | ||
| 39 | H142031 | Гильза | 1 | |||
| 40 | 25M3827 | Штифт с канавкой | 2 | 3 X 8 mm | ||
| 41 | R44302 | Обвязной хомут | 3 | |||
| 42 | HXE37251 | Винт | 2 | |||
| 43 | AH116104 | Датчик | 1 | |||
| 44 | H104418 | Гайка | 1 |
| key | PART NO. | PART NAME | QTY | SERIAL NO. | REMARKS | |
|---|---|---|---|---|---|---|
| 1 | CE18201 | Корпус | 1 | |||
| 2 | 19M7786 | Винт | 3 | M10 X 30 | ||
| 3 | H132892 | Прокладка | AR | TK = 0.076 MM | ||
| H132893 | Прокладка | AR | TK = 0.127 MM | |||
| H132894 | Прокладка | AR | TK = 0.508 MM | |||
| 4 | U10776 | Уплотнительное кольцо | 1 | |||
| 5 | JD8267 | Наружн. кольцо подшипн. | 1 | |||
| 6 | JD8979 | Внутр. кольцо подшипника | 1 | |||
| 7 | R26265 | Пружинное кольцо | 4 | |||
| 8 | H103167 | Шайба | 1 | |||
| key | PART NO. | PART NAME | QTY | SERIAL NO. | REMARKS | |
| 9 | Z12781 | Передача | 1 | Z = 41 | ||
| H135944 | Передача | 1 | Z = 43 | |||
| 10 | H133010 | Муфта переключателя | 1 | |||
| 11 | CE18505 | Втулка | 1 | |||
| 12 | H135942 | Передача | 1 | Z = 32 | ||
| CE19099 | Передача | 1 | Z = 33 | |||
| 13 | Z62544 | Передача | 1 | Z = 28 | ||
| H176279 | Передача | 1 | Z = 24 | |||
| 14 | 26M4228 | Шпонка вала | 1 | 8 X 28 mm | ||
| 15 | H110539 | Жиклер | 1 | |||
| key | PART NO. | PART NAME | QTY | SERIAL NO. | REMARKS | |
| 16 | AH215151 | Ведущая шестерня | 1 | (INCL H110539) | ||
| 17 | H129558 | Пружинное кольцо | 1 | |||
| 18 | JD8182 | Внутр. кольцо подшипника | 1 | |||
| 19 | JD8223 | Наружн. кольцо подшипн. | 1 | |||
| 20 | H144385 | Крышка подшипника | 1 | |||
| 21 | U10746 | Уплотнительное кольцо | 1 |
| key | PART NO. | PART NAME | QTY | SERIAL NO. | REMARKS | |
|---|---|---|---|---|---|---|
| 1 | 19M7844 | Винт | AR | M16 X 45 | ||
| 2 | H130407 | Каретка | 2 | |||
| 3 | JD7502 | Цилиндр. ролик. подшипник | 2 | |||
| 4 | C3936E | Кольцо | 2 | |||
| 5 | AT40603 | Сальник | 2 | |||
| 6 | JD8147 | Внутр. кольцо подшипника | 2 | |||
| 7 | H126572 | Прокладка | 1 | TK = 0.076 mm | ||
| 8 | H126573 | Прокладка | 2 | TK = 0.127 mm | ||
| 9 | H126575 | Прокладка | 3 | TK = 0.580 mm | ||
| 10 | R27796 | Уплотнительное кольцо | 2 | |||
| key | PART NO. | PART NAME | QTY | SERIAL NO. | REMARKS | |
| 11 | 19M9871 | Винт с гол. п/торц. кл. | AR | M20 X 40 | ||
| 12 | H165508 | Ось | 2 | |||
| 13 | CE21688 | Тормозной барабан | 2 | |||
| 14 | B32564 | Кольцо | 2 | |||
| 15 | DE30236 | Тормоз | 1 | RH | ||
| 16 | DE30237 | Тормоз | 1 | LH | ||
| 17 | DE21111 | Маслопровод | 1 | RH | ||
| 18 | DE21110 | Маслопровод | 1 | LH | ||
| 19 | DE21113 | Мост с дифференциалом | 1 |
| key | PART NO. | PART NAME | QTY | SERIAL NO. | REMARKS | |
|---|---|---|---|---|---|---|
| 1 | DE30236 | Тормоз | 1 | |||
| 2 | DE30315 | Крестовина | 1 | |||
| 3 | ...... | Пластина | 1 | (E) | ||
| 4 | ...... | Стопорная шайба | 4 | M8 | ||
| 5 | ...... | Болт | 2 | M8 X 1.25 X 16 | ||
| 6 | DE30318 | Комплект барабанов | 1 | |||
| 7 | ...... | Болт | 2 | M8 X 1.25 X 20 | ||
| 8 | DE30306 | Анкер | 2 | |||
| 9 | DE30313 | Толкатель | 2 | |||
| 10 | DE30314 | Комплект башмаков | 2 | |||
| key | PART NO. | PART NAME | QTY | SERIAL NO. | REMARKS | |
| 11 | ...... | Кулиса | 1 | (C) | ||
| 12 | ...... | Рычаг | 1 | (C) | ||
| 13 | ...... | Гайка | 1 | (A) | ||
| 14 | ...... | Болт | 1 | (A) | ||
| 15 | ...... | Гильза | 1 | (A) | ||
| 16 | ...... | Прижимающий зажим | 3 | (B) | ||
| 17 | ...... | Стержень | 3 | (B) | ||
| 18 | ...... | Рычаг | 1 | (A) | ||
| 19 | ...... | Рычаг | 1 | (A) | ||
| 20 | ...... | Кулиса | 1 | (A) | ||
| key | PART NO. | PART NAME | QTY | SERIAL NO. | REMARKS | |
| 21 | ...... | Кулиса | 1 | (A) | ||
| 22 | ...... | Зажимная скоба | 2 | (C) | ||
| 23 | ...... | Пружина растяжения | 1 | (D) | ||
| 24 | ...... | Пружина растяжения | 1 | (D) | ||
| 25 | ...... | Пружина растяжения | 1 | (D) | ||
| 26 | ...... | Заглушка | 1 | (E) | ||
| .. | DE30304 | Компл. деталей регулят. | 1 | INCLUDES A | ||
| .. | DE30310 | Комплект держателей | 1 | INCLUDES B | ||
| .. | DE30311 | Комплект рыч. механизмов | 1 | INCLUDES C | ||
| .. | DE30317 | Комплект пружин | 1 | INCLUDES D | ||
| key | PART NO. | PART NAME | QTY | SERIAL NO. | REMARKS | |
| .. | DE30307 | Комплект пластин | 1 | INCLUDES E | ||
| .. | DE30309 | Выпускной клапан | 1 |
| key | PART NO. | PART NAME | QTY | SERIAL NO. | REMARKS | |
|---|---|---|---|---|---|---|
| 1 | DE30237 | Тормоз | 1 | |||
| 2 | DE30316 | Крестовина | 1 | |||
| 3 | ...... | Пластина | 1 | (E) | ||
| 4 | ...... | Стопорная шайба | 4 | M8 | ||
| 5 | ...... | Болт | 2 | M8 X 1.25 X 16 | ||
| 6 | DE30318 | Комплект барабанов | 1 | |||
| 7 | ...... | Болт | 2 | M8 X 1.25 X 20 | ||
| 8 | DE30306 | Анкер | 2 | |||
| 9 | DE30313 | Толкатель | 2 | |||
| 10 | DE30314 | Комплект башмаков | 2 | |||
| key | PART NO. | PART NAME | QTY | SERIAL NO. | REMARKS | |
| 11 | ...... | Кулиса | 1 | (C) | ||
| 12 | ...... | Рычаг | 1 | (C) | ||
| 13 | ...... | Гайка | 1 | (A) | ||
| 14 | ...... | Болт | 1 | (A) | ||
| 15 | ...... | Гильза | 1 | (A) | ||
| 16 | ...... | Прижимающий зажим | 3 | (B) | ||
| 17 | ...... | Стержень | 3 | (B) | ||
| 18 | ...... | Рычаг | 1 | (A) | ||
| 19 | ...... | Рычаг | 1 | (A) | ||
| 20 | ...... | Кулиса | 1 | (A) | ||
| key | PART NO. | PART NAME | QTY | SERIAL NO. | REMARKS | |
| 21 | ...... | Кулиса | 1 | (A) | ||
| 22 | ...... | Зажимная скоба | 2 | (C) | ||
| 23 | ...... | Пружина растяжения | 1 | (D) | ||
| 24 | ...... | Пружина растяжения | 1 | (D) | ||
| 25 | ...... | Пружина растяжения | 1 | (D) | ||
| 26 | ...... | Заглушка | 1 | (E) | ||
| .. | DE30305 | Компл. деталей регулят. | 1 | INCLUDES A | ||
| .. | DE30310 | Комплект держателей | 1 | INCLUDES B | ||
| .. | DE30312 | Комплект рыч. механизмов | 1 | INCLUDES C | ||
| .. | DE30317 | Комплект пружин | 1 | INCLUDES D | ||
| key | PART NO. | PART NAME | QTY | SERIAL NO. | REMARKS | |
| .. | DE30308 | Комплект пластин | 1 | INCLUDES E | ||
| .. | DE30309 | Выпускной клапан | 1 |
| key | PART NO. | PART NAME | QTY | SERIAL NO. | REMARKS | |
|---|---|---|---|---|---|---|
| 1 | KXE10251 | Комплект зубчатых колес | 1 | |||
| 2 | CE21419 | Передача | 1 | Z = 29 | ||
| 3 | DE30781 | Ось | 1 | |||
| 4 | AR94761 | Внутр. кольцо подшипника | 1 | |||
| 5 | H110539 | Жиклер | 1 | |||
| 6 | CE31594 | Вал сателлита | 1 | |||
| 7 | JD10182 | Внутр. кольцо подшипника | 1 |
| key | PART NO. | PART NAME | QTY | SERIAL NO. | REMARKS | |
|---|---|---|---|---|---|---|
| 1 | AXE15826 | Мотор | 1 | |||
| PG203341 | Гидравлич. мотор восст. | 1 | REMAN FOR AXE15826 | |||
| 2 | AH141811 | Расходный гидр. клапан | 1 | |||
| 3 | 19H2347 | Винт с головкой | 6 | 7/16" X 3" | ||
| 4 | 19H1899 | Винт с головкой | 2 | 7/16" X 2" | ||
| 5 | Z65083 | Регулировочный хомут | 2 | |||
| 6 | ...... | Блок цилиндра | 1 | ORDER AH169693 | ||
| 7 | H135702 | Прокладка | 1 | |||
| 8 | AH112678 | Прокладка | 1 | Includes 6 Shims of Thickness 0.003", 0 .005", 0.010", 0.015", 0.020" And 0.030" | ||
| 9 | AZ56795 | Сальник | 1 | |||
| key | PART NO. | PART NAME | QTY | SERIAL NO. | REMARKS | |
| 10 | AH65358 | Подшипник | 1 | |||
| 11 | H138901 | Пластина | 1 | |||
| 12 | Z65106 | Пластина | 1 | |||
| 13 | AZ51529 | Комплект гидроцилиндров | 1 | |||
| 14 | AZ42076 | Опора | 1 | |||
| 15 | Z65079 | Пластина | 1 | |||
| 16 | AZ51528 | Поршень | 1 | |||
| 17 | Z53122 | Прокладка | 1 | |||
| 18 | AZ51527 | Поршень | 1 | |||
| 19 | ...... | Наклонная пластина | 1 | ORDER AH169693 | ||
| key | PART NO. | PART NAME | QTY | SERIAL NO. | REMARKS | |
| 20 | AZ56818 | Ведущий вал | 1 | |||
| 21 | AH131392 | Комплект пластин | 1 | |||
| 22 | ...... | Корпус | 1 | ORDER AH169693 | ||
| 23 | H135571 | Уплотнительная шайба | 2 | |||
| 24 | 19H3192 | Винт | 2 | 5/16" X 3" | ||
| 25 | H64813 | Установочный штифт | 1 | |||
| 26 | 15H558 | Трубная заглушка | 1 | 1/8" | ||
| 27 | R27175 | Пробка сливного отверстия | 1 | |||
| 28 | U12547 | Уплотнительное кольцо | 1 | |||
| 29 | N126612 | Пружинное кольцо | 1 | |||
| key | PART NO. | PART NAME | QTY | SERIAL NO. | REMARKS | |
| 30 | 19H2228 | Винт с головкой | 4 | 3/8" X 4" | ||
| 31 | R26448 | Уплотнительное кольцо | 2 | |||
| 32 | AH125760 | Быстросъемн. гидр. муфта | 2 | |||
| 33 | R77175 | Крышка | 2 | |||
| 34 | H63271 | Штифт | 5 | |||
| 35 | AN272356 | Комплект уплотнений | 1 | |||
| 36 | ...... | Наружн. кольцо подшипн. | 1 | ORDER AZ42073 | ||
| 37 | JD7297 | Наружн. кольцо подшипн. | 1 | INCL KEY 36 KIT AZ56818 | ||
| 38 | H117461 | Кольцо | 1 | KIT AZ56818 | ||
| 39 | 19H3352 | Винт | 4 | 5/16" X 1-1/4" | ||
| key | PART NO. | PART NAME | QTY | SERIAL NO. | REMARKS | |
| 40 | H135700 | Пластина | 1 | |||
| 41 | N191174 | Пружина сжатия | 1 | |||
| 42 | N196034 | Уплотнительное кольцо | 1 | |||
| 43 | U15415 | Уплотнительное кольцо | 1 | |||
| 44 | T187712 | Пружинное кольцо | 1 | |||
| 45 | R112857 | Уплотнительное кольцо | 1 |
| key | PART NO. | PART NAME | QTY | SERIAL NO. | REMARKS | |
|---|---|---|---|---|---|---|
| 1 | R27175 | Пробка сливного отверстия | 2 | |||
| 2 | R26906 | Уплотнительное кольцо | 2 | |||
| 3 | ...... | Пружина | 2 | |||
| 4 | N126654 | Клапан | 2 | |||
| 5 | N128541 | Втулка | 1 | |||
| 6 | AH131308 | Комплект клапанов | 1 | |||
| 7 | U40729 | Защитное кольцо | 2 | |||
| 8 | N130510 | Уплотнительное кольцо | 2 | |||
| 9 | AN272356 | Сальник | 1 | |||
| 10 | R28782 | Уплотнительное кольцо | 4 | |||
| key | PART NO. | PART NAME | QTY | SERIAL NO. | REMARKS | |
| 11 | AN122497 | Редукционный клапан | 1 | |||
| 12 | U17409 | Уплотнительное кольцо | 1 | |||
| 13 | U15192 | Уплотнительное кольцо | 2 | |||
| 14 | H63289 | Уплотнительное кольцо | 1 | |||
| 15 | AZ51504 | Редукционный клапан | 2 | |||
| 16 | U17402 | Шайба | 2 | |||
| 17 | R51031 | Фитинг | 3 | |||
| 18 | 19H2228 | Винт с головкой | 4 | 3/8" X 4" | ||
| 19 | AH141811 | Расходный гидр. клапан | 1 | |||
| 20 | U12547 | Уплотнительное кольцо | 3 | |||
| key | PART NO. | PART NAME | QTY | SERIAL NO. | REMARKS | |
| 21 | XPD341 | Диагностическая муфта | 1 | |||
| 22 | R77175 | Крышка | 1 | |||
| .. | AXE16673 | Редукционный клапан | 1 |
| key | PART NO. | PART NAME | QTY | SERIAL NO. | REMARKS | |
|---|---|---|---|---|---|---|
| 1 | 19M7865 | Винт | 2 | M8 X 16 | ||
| 2 | 19M7867 | Винт | 3 | M8 X 25 | ||
| 3 | 37M7083 | Винт | 2 | M8 X 12 | ||
| 4 | 14M7298 | Фланцевая гайка | 3 | M8 | ||
| 5 | AH89557 | Зажимная скоба | 2 | |||
| 6 | H171550 | Кронштейн | 1 | |||
| 7 | DE30014 | Кабель | 1 | |||
| 8 | H168869 | Скоба | 5 | SUB FOR R42009 APPL |
| key | PART NO. | PART NAME | QTY | SERIAL NO. | REMARKS | |
|---|---|---|---|---|---|---|
| 1 | CE21626 | Корпус | 1 | |||
| 2 | CE21994 | Крышка | 1 | |||
| 3 | 19M7784 | Винт | 12 | M10 X 20 | ||
| 4 | CE21344 | Щиток | 1 | |||
| 5 | CE30011 | Щиток | 1 | |||
| 6 | 19M8546 | Винт с головкой | 1 | M14 X 40 | ||
| 7 | 14M7435 | Гайка | 1 | M14 | ||
| 8 | 19M8637 | Винт с головкой | 1 | M10 X 40 | ||
| 9 | 14M7274 | Гайка | 1 | M10 | ||
| 10 | RE537634 | Датчик | 1 | |||
| key | PART NO. | PART NAME | QTY | SERIAL NO. | REMARKS | |
| 11 | 14M7291 | Фланцевая гайка | 1 | M16 | ||
| 12 | 24M7338 | Шайба | 1 | 17 X 30 X 3 mm | ||
| 13 | HXE37251 | Винт | 1 | |||
| 14 | 25M3827 | Штифт с канавкой | 2 | 3 X 8 mm | ||
| 15 | CE20773 | Фитинг | 1 | |||
| 16 | R62070 | Кольцо | 1 |
| key | PART NO. | PART NAME | QTY | SERIAL NO. | REMARKS | |
|---|---|---|---|---|---|---|
| 1 | CE21251 | Рычаг переключ. передач | 2 | |||
| 2 | L113217 | Зажимная скоба | 4 | |||
| 3 | R122638 | Установочный винт | 4 |
| key | PART NO. | PART NAME | QTY | SERIAL NO. | REMARKS | |
|---|---|---|---|---|---|---|
| 1 | AR94761 | Внутр. кольцо подшипника | 1 | |||
| 2 | CE21384 | Передача | 1 | Z = 32 | ||
| 3 | CE21105 | Передача | 1 | Z = 36 | ||
| 4 | CE21135 | Пружина сжатия | 2 | |||
| 5 | CE21136 | Установочный штифт | 2 | |||
| 6 | H110539 | Жиклер | 1 | |||
| 7 | JD10182 | Внутр. кольцо подшипника | 1 | |||
| 8 | CE21497 | Муфта переключателя | 1 | |||
| 9 | CE21498 | Синхронизатор | 1 | |||
| 10 | R275875 | Пружинное кольцо | 1 | |||
| key | PART NO. | PART NAME | QTY | SERIAL NO. | REMARKS | |
| 11 | CE21385 | Вал сателлита | 1 | |||
| 12 | DE20743 | Шлицевое соединение | 1 | |||
| 13 | M41029 | Пружинное кольцо | 2 | |||
| 14 | H142030 | Корпус | 1 | |||
| 15 | 19M7786 | Винт | 6 | M10 X 30 | ||
| 16 | H75358 | Установочный штифт | 1 | |||
| 17 | AH128528 | Ротор | 1 | |||
| 18 | H82234 | Пластина | 1 | |||
| 19 | H82232 | Шайба | 1 | |||
| 20 | H82233 | Втулка | 1 | |||
| key | PART NO. | PART NAME | QTY | SERIAL NO. | REMARKS | |
| 21 | H132892 | Прокладка | 2 | TK = 0.076 mm | ||
| H132893 | Прокладка | 4 | TK = 0.127 mm | |||
| H132894 | Прокладка | 4 | TK = 0.508 mm | |||
| 22 | JD8257 | Наружн. кольцо подшипн. | 1 | |||
| 23 | H142031 | Гильза | 1 | |||
| 24 | 15H638 | Трубная заглушка | 1 | 1/8" | ||
| 25 | 15H585 | Трубная заглушка | 1 | 3/4" | ||
| 26 | H131297 | Масляная трубка | 1 | |||
| 27 | R394R | Уплотнительное кольцо | AR | |||
| 28 | AH125228 | Фитинг | 1 | |||
| key | PART NO. | PART NAME | QTY | SERIAL NO. | REMARKS | |
| 29 | 19M8162 | Винт | 1 | M10 X 40 | ||
| 30 | R495R | Уплотнительное кольцо | AR | |||
| 31 | AH121580 | Сито | 1 | |||
| 32 | H131296 | Масляная трубка | 1 | |||
| 33 | CE18201 | Корпус | 1 | |||
| 34 | U10776 | Уплотнительное кольцо | 1 | |||
| 35 | JD8267 | Наружн. кольцо подшипн. | 1 | |||
| 36 | DE20944 | Ось | 1 |
| key | PART NO. | PART NAME | QTY | SERIAL NO. | REMARKS | |
|---|---|---|---|---|---|---|
| 1 | DE20828 | Промежуточный вал | 1 | |||
| 2 | 26M4228 | Шпонка вала | 1 | 8 X 28 mm | ||
| 3 | 40M7106 | Пружинное кольцо | 1 | |||
| 4 | 40M7166 | Пружинное кольцо | 2 | |||
| 5 | CE21105 | Передача | 1 | Z = 36 | ||
| 6 | CE21135 | Пружина сжатия | 4 | |||
| 7 | CE21136 | Установочный штифт | 4 | |||
| 8 | H110539 | Жиклер | 1 | |||
| 9 | JD8182 | Внутр. кольцо подшипника | 1 | |||
| 10 | JD8979 | Внутр. кольцо подшипника | 1 | |||
| key | PART NO. | PART NAME | QTY | SERIAL NO. | REMARKS | |
| 11 | CE21531 | Шайба | 1 | |||
| 12 | CE21497 | Муфта переключателя | 1 | |||
| 13 | CE21498 | Синхронизатор | 2 | |||
| 14 | R275875 | Пружинное кольцо | 1 | |||
| 15 | CE21126 | Вал сателлита | 1 | |||
| 16 | CE21394 | Передача | 1 | Z = 33 | ||
| 17 | CE21129 | Передача | 1 | Z = 41 | ||
| 18 | JD8223 | Наружн. кольцо подшипн. | 1 | |||
| 19 | H144385 | Крышка подшипника | 1 | |||
| 20 | U10746 | Уплотнительное кольцо | 1 | |||
| key | PART NO. | PART NAME | QTY | SERIAL NO. | REMARKS | |
| 21 | H129558 | Пружинное кольцо | 1 | |||
| 22 | CE18201 | Корпус | 1 | |||
| 23 | U10776 | Уплотнительное кольцо | 1 | |||
| 24 | JD8267 | Наружн. кольцо подшипн. | 1 | |||
| 25 | H132892 | Прокладка | 1 | TK = 0.076 mm | ||
| H132893 | Прокладка | 2 | TK = 0.127 mm | |||
| H132894 | Прокладка | 2 | TK = 0.508 mm | |||
| 26 | Z62544 | Передача | 1 | Z = 28 |
| key | PART NO. | PART NAME | QTY | SERIAL NO. | REMARKS | |
|---|---|---|---|---|---|---|
| 1 | 34M7073 | Пружинный шплинт | 1 | 10 X 65 mm | ||
| 2 | CE20835 | Ведущая шестерня | 2 | |||
| 3 | CE20836 | Передача | 2 | Z = 20 | ||
| 4 | CE21998 | Корпус | 1 | |||
| 5 | CE21997 | Передача | 1 | Z = 60 | ||
| 6 | H133202 | Упорная шайба | 2 | |||
| 7 | H146646 | Штифт | 1 | |||
| 8 | H164794 | Шайба | 2 | |||
| 9 | JD7425 | Наружн. кольцо подшипн. | 2 | |||
| 10 | R135543 | Шайба | AR | |||
| key | PART NO. | PART NAME | QTY | SERIAL NO. | REMARKS | |
| 11 | R308123 | Винт с головкой | AR | |||
| 12 | R70112 | Упорная шайба | 2 | |||
| 13 | R70113 | Упорная шайба | 2 | |||
| 14 | R70115 | Игольчатый ролик | AR | |||
| 15 | YZ120471 | Кольцо | 2 | |||
| 16 | 19M7844 | Винт | AR | M16 X 45 | ||
| 17 | H130407 | Каретка | 2 | |||
| 18 | JD7502 | Цилиндр. ролик. подшипник | 2 | |||
| 19 | C3936E | Кольцо | 2 | |||
| 20 | AT40603 | Сальник | 2 | |||
| key | PART NO. | PART NAME | QTY | SERIAL NO. | REMARKS | |
| 21 | JD8147 | Внутр. кольцо подшипника | 2 | |||
| 22 | H126572 | Прокладка | 1 | TK = 0.076 mm | ||
| 23 | H126573 | Прокладка | 2 | TK = 0.127 mm | ||
| 24 | H126575 | Прокладка | 3 | TK = 0.508 mm | ||
| 25 | R27796 | Уплотнительное кольцо | 2 | |||
| 26 | 19M9871 | Винт с гол. п/торц. кл. | AR | M20 X 40 | ||
| 27 | H165508 | Ось | 2 | |||
| 28 | CE21688 | Тормозной барабан | 2 | |||
| 29 | B32564 | Кольцо | 2 | |||
| 30 | DE30236 | Тормоз | 1 | RH | ||
| key | PART NO. | PART NAME | QTY | SERIAL NO. | REMARKS | |
| 31 | DE30237 | Тормоз | 1 | LH | ||
| 32 | DE21111 | Маслопровод | 1 | RH | ||
| 33 | DE21110 | Маслопровод | 1 | LH | ||
| 34 | DE21113 | Мост с дифференциалом | 1 |
| key | PART NO. | PART NAME | QTY | SERIAL NO. | REMARKS | |
|---|---|---|---|---|---|---|
| 1 | DE30236 | Тормоз | 1 | |||
| 2 | DE30315 | Крестовина | 1 | |||
| 3 | ...... | Пластина | 1 | (E) | ||
| 4 | ...... | Стопорная шайба | 4 | M8 | ||
| 5 | ...... | Болт | 2 | M8 X 1.25 X 16 | ||
| 6 | DE30318 | Комплект барабанов | 1 | |||
| 7 | ...... | Болт | 2 | M8 X 1.25 X 20 | ||
| 8 | DE30306 | Анкер | 2 | |||
| 9 | DE30313 | Толкатель | 2 | |||
| 10 | DE30314 | Комплект башмаков | 2 | |||
| key | PART NO. | PART NAME | QTY | SERIAL NO. | REMARKS | |
| 11 | ...... | Кулиса | 1 | (C) | ||
| 12 | ...... | Рычаг | 1 | (C) | ||
| 13 | ...... | Гайка | 1 | (A) | ||
| 14 | ...... | Болт | 1 | (A) | ||
| 15 | ...... | Гильза | 1 | (A) | ||
| 16 | ...... | Прижимающий зажим | 3 | (B) | ||
| 17 | ...... | Стержень | 3 | (B) | ||
| 18 | ...... | Рычаг | 1 | (A) | ||
| 19 | ...... | Рычаг | 1 | (A) | ||
| 20 | ...... | Кулиса | 1 | (A) | ||
| key | PART NO. | PART NAME | QTY | SERIAL NO. | REMARKS | |
| 21 | ...... | Кулиса | 1 | (A) | ||
| 22 | ...... | Зажимная скоба | 2 | (C) | ||
| 23 | ...... | Пружина растяжения | 1 | (D) | ||
| 24 | ...... | Пружина растяжения | 1 | (D) | ||
| 25 | ...... | Пружина растяжения | 1 | (D) | ||
| 26 | ...... | Заглушка | 1 | (E) | ||
| .. | DE30304 | Компл. деталей регулят. | 1 | INCLUDES A | ||
| .. | DE30310 | Комплект держателей | 1 | INCLUDES B | ||
| .. | DE30311 | Комплект рыч. механизмов | 1 | INCLUDES C | ||
| .. | DE30317 | Комплект пружин | 1 | INCLUDES D | ||
| key | PART NO. | PART NAME | QTY | SERIAL NO. | REMARKS | |
| .. | DE30307 | Комплект пластин | 1 | INCLUDES E | ||
| .. | DE30309 | Выпускной клапан | 1 |
| key | PART NO. | PART NAME | QTY | SERIAL NO. | REMARKS | |
|---|---|---|---|---|---|---|
| 1 | DE30237 | Тормоз | 1 | |||
| 2 | DE30316 | Крестовина | 1 | |||
| 3 | ...... | Пластина | 1 | (E) | ||
| 4 | ...... | Стопорная шайба | 4 | M8 | ||
| 5 | ...... | Болт | 2 | M8 X 1.25 X 16 | ||
| 6 | DE30318 | Комплект барабанов | 1 | |||
| 7 | ...... | Болт | 2 | M8 X 1.25 X 20 | ||
| 8 | DE30306 | Анкер | 2 | |||
| 9 | DE30313 | Толкатель | 2 | |||
| 10 | DE30314 | Комплект башмаков | 2 | |||
| key | PART NO. | PART NAME | QTY | SERIAL NO. | REMARKS | |
| 11 | ...... | Кулиса | 1 | (C) | ||
| 12 | ...... | Рычаг | 1 | (C) | ||
| 13 | ...... | Гайка | 1 | (A) | ||
| 14 | ...... | Болт | 1 | (A) | ||
| 15 | ...... | Гильза | 1 | (A) | ||
| 16 | ...... | Прижимающий зажим | 3 | (B) | ||
| 17 | ...... | Стержень | 3 | (B) | ||
| 18 | ...... | Рычаг | 1 | (A) | ||
| 19 | ...... | Рычаг | 1 | (A) | ||
| 20 | ...... | Кулиса | 1 | (A) | ||
| key | PART NO. | PART NAME | QTY | SERIAL NO. | REMARKS | |
| 21 | ...... | Кулиса | 1 | (A) | ||
| 22 | ...... | Зажимная скоба | 2 | (C) | ||
| 23 | ...... | Пружина растяжения | 1 | (D) | ||
| 24 | ...... | Пружина растяжения | 1 | (D) | ||
| 25 | ...... | Пружина растяжения | 1 | (D) | ||
| 26 | ...... | Заглушка | 1 | (E) | ||
| .. | DE30305 | Компл. деталей регулят. | 1 | INCLUDES A | ||
| .. | DE30310 | Комплект держателей | 1 | INCLUDES B | ||
| .. | DE30312 | Комплект рыч. механизмов | 1 | INCLUDES C | ||
| .. | DE30317 | Комплект пружин | 1 | INCLUDES D | ||
| key | PART NO. | PART NAME | QTY | SERIAL NO. | REMARKS | |
| .. | DE30308 | Комплект пластин | 1 | INCLUDES E | ||
| .. | DE30309 | Выпускной клапан | 1 |
| key | PART NO. | PART NAME | QTY | SERIAL NO. | REMARKS | |
|---|---|---|---|---|---|---|
| 1 | 14M7435 | Гайка | 2 | M14 | ||
| 2 | 40M7229 | Пружинное кольцо | 2 | |||
| 3 | 42M7029 | Шпилька | 4 | |||
| 4 | 44M7144 | Установочный штифт | 2 | |||
| 5 | 51M7043 | Уплотнительное кольцо | 3 | 15.300 X 2.200 mm | ||
| 6 | 38H5003 | Фитинг переходника | 1 | |||
| 7 | 38H5009 | Фитинг переходника | 1 | |||
| 8 | T77857 | Уплотнительное кольцо | 2 | |||
| 9 | 51M7041 | Уплотнительное кольцо | 8 | 11.300 X 2.200 mm | ||
| 10 | AT338325 | Расходный гидр. клапан | 3 | |||
| key | PART NO. | PART NAME | QTY | SERIAL NO. | REMARKS | |
| 11 | CE21457 | Заглушка | 2 | |||
| 12 | CE21165 | Магистраль | 1 | |||
| 13 | CE21166 | Магистраль | 1 | |||
| 14 | CE21232 | Стопор | 3 | |||
| 15 | DE20884 | Клапан | 1 | |||
| 16 | AL110475 | Заглушка | 31 | |||
| 17 | RE46684 | Заглушка фитинга | 6 | |||
| 18 | AH20868 | Сапун | 2 | |||
| 19 | E80243 | Уплотнительное кольцо | 2 | |||
| 20 | JD8237 | Наружн. кольцо подшипн. | 1 | |||
| key | PART NO. | PART NAME | QTY | SERIAL NO. | REMARKS | |
| 21 | R107770 | Заглушка фитинга | 2 | |||
| 22 | R1225R | Уплотнительное кольцо | 2 | |||
| 23 | R194658 | Пружина сжатия | 2 | |||
| 24 | R194659 | Пружина сжатия | 2 | |||
| 25 | R207199 | Уплотнительное кольцо | 2 | |||
| 26 | R215255 | Пружинное кольцо | 2 | |||
| 27 | CE21765 | Пружина сжатия | 3 | |||
| 28 | R229763 | Гильза | 2 | |||
| 29 | R229765 | Поршень | 2 | |||
| 30 | R229768 | Сальник | 2 | |||
| key | PART NO. | PART NAME | QTY | SERIAL NO. | REMARKS | |
| 31 | R280231 | Золотниковый клапан | 1 | |||
| 32 | R281547 | Золотник клапана | 1 | |||
| 33 | DE21112 | Заглушка фитинга | 2 | |||
| 34 | RE537634 | Датчик | 1 | |||
| 35 | T57247 | Уплотнительное кольцо | 4 | |||
| 36 | 38H5016 | Коленчатый патрубок | 1 | |||
| 37 | T204128 | Винт | 6 | |||
| 38 | T77613 | Уплотнительное кольцо | 1 | |||
| 39 | 19M7844 | Винт | 2 | M16 X 45 | ||
| 40 | 19M10299 | Винт с гол. п/торц. кл. | 1 | M16 X 140 | ||
| key | PART NO. | PART NAME | QTY | SERIAL NO. | REMARKS | |
| 41 | CE21279 | Шлицевое соединение | 1 | |||
| 42 | CE21278 | Тональное колесо | 1 | |||
| 43 | R63308 | Уплотнительное кольцо | 1 | |||
| 44 | 14M7299 | Фланцевая гайка | 1 | M12 | ||
| 45 | DE20687 | Клапан | 1 |
| key | PART NO. | PART NAME | QTY | SERIAL NO. | REMARKS | |
|---|---|---|---|---|---|---|
| 1 | RE293623 | Датчик | 1 | |||
| 2 | 19M7560 | Винт с головкой | 4 | M6 X 16 | ||
| 3 | 40M7119 | Пружинное кольцо | 1 | |||
| 4 | 40M7181 | Пружинное кольцо | 1 | |||
| 5 | 44M7144 | Установочный штифт | 2 | |||
| 6 | 51M7044 | Уплотнительное кольцо | 3 | 17.300 X 2.200 mm | ||
| 7 | CE21282 | Уплотнительное кольцо | 1 | |||
| 8 | CE21993 | Корпус | 1 | |||
| 9 | CE21995 | Пружина сжатия | 1 | |||
| 10 | CE21996 | Заглушка | 1 | |||
| key | PART NO. | PART NAME | QTY | SERIAL NO. | REMARKS | |
| 11 | CE22078 | Заглушка | 1 | |||
| 12 | CE22081 | Магистраль | 1 | |||
| 13 | RE216786 | Фитинг | 2 | |||
| 14 | 19M7816 | Винт | 2 | M12 X 65 | ||
| 15 | 19M7819 | Винт | 1 | M12 X 90 | ||
| 16 | DE20737 | Заглушка | 2 | |||
| 17 | CE30005 | Уплотнительное кольцо | 2 | |||
| 18 | CE30006 | Уплотнительное кольцо | 1 | |||
| 19 | DE21109 | Линия | 1 | |||
| 20 | T77613 | Уплотнительное кольцо | 2 | |||
| key | PART NO. | PART NAME | QTY | SERIAL NO. | REMARKS | |
| 21 | 51M7040 | Уплотнительное кольцо | 2 | 9.300 X 2.200 mm | ||
| 22 | RE522144 | Пробка сливного отверстия | 1 |
| key | PART NO. | PART NAME | QTY | SERIAL NO. | REMARKS | |
|---|---|---|---|---|---|---|
| 1 | DE31406 | Клапан | 1 | SUB FOR DE30710 | ||
| 2 | 19M8568 | Винт с головкой | 2 | M10 X 120 | ||
| 3 | 24M7053 | Шайба | 1 | 17 X 30 X 3 mm | ||
| 4 | DE30650 | Клапан | 1 | SUB FOR DE30173 | ||
| 5 | T77857 | Уплотнительное кольцо | 2 | |||
| 6 | 38H5153 | Фитинг переходника | 1 | |||
| 7 | 51M7043 | Уплотнительное кольцо | 2 | 15.300 X 2.200 mm | ||
| 8 | ...... | Датчик давления | 1 | ORDER KXE10420 | ||
| 9 | CE31376 | Пружина сжатия | 1 | SUB FOR CE21223 | ||
| 10 | CE21953 | Опора | 1 | |||
| key | PART NO. | PART NAME | QTY | SERIAL NO. | REMARKS | |
| 11 | DE21088 | Опора | 1 | |||
| 12 | DE21047 | Тормоз | 2 | |||
| 13 | 14M7273 | Гайка | 4 | M8 | ||
| 14 | DE30176 | Линия | 1 | |||
| 15 | H161729 | Сальник | 1 | |||
| 16 | H238030 | Заглушка | 1 | |||
| 17A | DE30174 | Клапан | 2 | |||
| 17B | DE30838 | Клапан | 2 | SUB FOR DE30174 | ||
| 18 | AL77433 | Заглушка | 5 | |||
| 19 | DE30503 | Поршень | 1 | SUB FOR DE21089 | ||
| key | PART NO. | PART NAME | QTY | SERIAL NO. | REMARKS | |
| 20 | CE21951 | Стержень | 1 | |||
| 21 | DE21126 | Поршень | 1 | |||
| 22 | 38H5003 | Фитинг переходника | 1 | |||
| 23 | AT338325 | Расходный гидр. клапан | 1 | |||
| 24 | H156586 | Сальник | 1 | |||
| 25 | T118330 | Болт | 1 | |||
| 26 | U44496 | Уплотнительное кольцо | 1 | |||
| 27 | T204128 | Винт | 2 | |||
| 28 | CE22005 | Крышка | 1 | |||
| 29 | 19M7603 | Винт | 5 | M6 X 20 | ||
| key | PART NO. | PART NAME | QTY | SERIAL NO. | REMARKS | |
| 30 | CE22004 | Крышка | 1 | |||
| 31 | 19M7836 | Винт | 4 | M10 X 110 | ||
| 32 | R77175 | Крышка | 1 | |||
| 33 | AH228044 | Катушка эл/магн. клапана | 1 | |||
| 34 | RE190805 | Диагностическая муфта | 1 | |||
| 35 | 51M7041 | Уплотнительное кольцо | 2 | 11.300 X 2.200 mm |
| key | PART NO. | PART NAME | QTY | SERIAL NO. | REMARKS | |
|---|---|---|---|---|---|---|
| 1 | AXE15826 | Мотор | 1 | |||
| PG203341 | Гидравлич. мотор восст. | 1 | REMAN FOR AXE15826 | |||
| 2 | AH141811 | Расходный гидр. клапан | 1 | |||
| 3 | 19H2347 | Винт с головкой | 6 | 7/16" X 3" | ||
| 4 | 19H1899 | Винт с головкой | 2 | 7/16" X 2" | ||
| 5 | Z65083 | Регулировочный хомут | 2 | |||
| 6 | ...... | Блок цилиндра | 1 | (ORD AH169693) | ||
| 7 | H135702 | Прокладка | 1 | |||
| 8 | AH112678 | Прокладка | 1 | Includes 6 Shims of Thickness 0.003", 0 .005", 0.010", 0.015", 0.020" And 0.030" | ||
| 9 | AZ56795 | Сальник | 1 | |||
| key | PART NO. | PART NAME | QTY | SERIAL NO. | REMARKS | |
| 10 | AH65358 | Подшипник | 1 | |||
| 11 | H138901 | Пластина | 1 | |||
| 12 | Z65106 | Пластина | 1 | |||
| 13 | AZ51529 | Комплект гидроцилиндров | 1 | |||
| 14 | AZ42076 | Опора | 1 | |||
| 15 | Z65079 | Пластина | 1 | |||
| 16 | AZ51528 | Поршень | 1 | |||
| 17 | Z53122 | Прокладка | 1 | |||
| 18 | AZ51527 | Поршень | 1 | |||
| 19 | ...... | Наклонная пластина | 1 | (ORD AH169693) | ||
| key | PART NO. | PART NAME | QTY | SERIAL NO. | REMARKS | |
| 20 | AZ56818 | Ведущий вал | 1 | |||
| 21 | AH131392 | Комплект пластин | 1 | |||
| 22 | ...... | Корпус | 1 | (ORD AH169693) | ||
| 23 | H135571 | Уплотнительная шайба | 2 | |||
| 24 | 19H3192 | Винт | 2 | 5/16" X 3" | ||
| 25 | H64813 | Установочный штифт | 1 | |||
| 26 | 15H558 | Трубная заглушка | 1 | 1/8" | ||
| 27 | R27175 | Пробка сливного отверстия | 1 | |||
| 28 | U12547 | Уплотнительное кольцо | 1 | |||
| 29 | A4728R | Уплотнительное кольцо | 1 | |||
| key | PART NO. | PART NAME | QTY | SERIAL NO. | REMARKS | |
| 30 | 19H2228 | Винт с головкой | 4 | 3/8" X 4" | ||
| 31 | R26448 | Уплотнительное кольцо | 2 | |||
| 32 | AH125760 | Быстросъемн. гидр. муфта | 2 | |||
| 33 | R77175 | Крышка | 2 | |||
| 34 | H63271 | Штифт | 5 | |||
| 35 | AN272356 | Комплект уплотнений | 1 | |||
| 36 | ...... | Наружн. кольцо подшипн. | 1 | (ORD AZ42073) | ||
| 37 | JD7297 | Наружн. кольцо подшипн. | 1 | INCL KEY 36 (KIT AZ56818) | ||
| 38 | H117461 | Кольцо | 1 | (KIT AZ56818) | ||
| 39 | 19H3352 | Винт | 4 | 5/16" X 1-1/4" | ||
| key | PART NO. | PART NAME | QTY | SERIAL NO. | REMARKS | |
| 40 | H135700 | Пластина | 1 | |||
| 41 | N191174 | Пружина сжатия | 1 | |||
| 42 | N196034 | Уплотнительное кольцо | 1 | |||
| 43 | U15415 | Уплотнительное кольцо | 1 | |||
| 44 | T187712 | Пружинное кольцо | 1 |
| key | PART NO. | PART NAME | QTY | SERIAL NO. | REMARKS | |
|---|---|---|---|---|---|---|
| 1 | R27175 | Пробка сливного отверстия | 2 | |||
| 2 | R26906 | Уплотнительное кольцо | 2 | |||
| 3 | ...... | Пружина | 2 | |||
| 4 | N126654 | Клапан | 2 | |||
| 5 | N128541 | Втулка | 1 | |||
| 6 | AH131308 | Комплект клапанов | 1 | |||
| 7 | U40729 | Защитное кольцо | 2 | |||
| 8 | N130510 | Уплотнительное кольцо | 2 | |||
| 9 | AN272356 | Сальник | 1 | |||
| 10 | R28782 | Уплотнительное кольцо | 3 | |||
| key | PART NO. | PART NAME | QTY | SERIAL NO. | REMARKS | |
| 11 | AN122497 | Редукционный клапан | 1 | |||
| 12 | U17409 | Уплотнительное кольцо | 1 | |||
| 13 | U15192 | Уплотнительное кольцо | 2 | |||
| 14 | H63289 | Уплотнительное кольцо | 1 | |||
| 15 | AZ51504 | Редукционный клапан | 2 | |||
| 16 | U17402 | Шайба | 2 | |||
| 17 | R51031 | Фитинг | 3 | |||
| 18 | 19H2228 | Винт с головкой | 4 | 3/8" X 4" | ||
| 19 | AH141811 | Расходный гидр. клапан | 1 |
| key | PART NO. | PART NAME | QTY | SERIAL NO. | REMARKS | |
|---|---|---|---|---|---|---|
| 1 | 57M7850 | Корпус электр. разъема | 1 | Gear Interlock | ||
| 57M7829 | Клемма электр. разъема | 2 | ||||
| 2 | 57M9775 | Корпус электр. разъема | 1 | Input Shaft Speed | ||
| 57M9808 | Клемма электр. разъема | 2 | ||||
| 3 | 57M7850 | Корпус электр. разъема | 1 | Gear Select 2 | ||
| 57M7829 | Клемма электр. разъема | 2 | ||||
| 4 | 57M7850 | Корпус электр. разъема | 1 | Gear Select 1 | ||
| 57M7829 | Клемма электр. разъема | 2 | ||||
| 5 | 57M10517 | Корпус электр. разъема | 1 | Park Brake Sump | ||
| 57M8165 | Клемма электр. разъема | 2 | ||||
| key | PART NO. | PART NAME | QTY | SERIAL NO. | REMARKS | |
| 57M8022 | Блок. устр. эл. разъема | 1 | ||||
| 6 | 57M9780 | Корпус электр. разъема | 1 | Park Brake Pressure Sensor | ||
| 57M9808 | Клемма электр. разъема | 3 | ||||
| 57M9838 | Вспом. электр. разъем | 1 | ||||
| 7 | 57M7850 | Корпус электр. разъема | 1 | Park Brake Supply | ||
| 57M7829 | Клемма электр. разъема | 2 | ||||
| 8 | 57M9775 | Корпус электр. разъема | 1 | Ground Speed | ||
| 57M9808 | Клемма электр. разъема | 2 | ||||
| 9 | 57M9780 | Корпус электр. разъема | 1 | Gear 3 Position Sensor | ||
| 57M9808 | Клемма электр. разъема | 3 | ||||
| key | PART NO. | PART NAME | QTY | SERIAL NO. | REMARKS | |
| 10 | 57M10233 | Обвязной хомут | 7 | Wire Tie Clip | ||
| 11 | 57M9780 | Корпус электр. разъема | 1 | Gear 1/2 Position Sensor | ||
| 57M9808 | Клемма электр. разъема | 3 | ||||
| 57M9838 | Вспом. электр. разъем | 1 | ||||
| 12 | 57M8794 | Корпус электр. разъема | 1 | PBST Jumper | ||
| 57M9808 | Клемма электр. разъема | 11 | ||||
| 57M8165 | Клемма электр. разъема | 6 | ||||
| 57M8704 | Вспом. электр. разъем | 1 | ||||
| 13 | 57M11166 | Вспом. электр. разъем | 1 | |||
| 14 | 57M10421 | Вспом. электр. разъем | 1 | |||
| key | PART NO. | PART NAME | QTY | SERIAL NO. | REMARKS | |
| 15 | R44302 | Обвязной хомут | 2 | |||
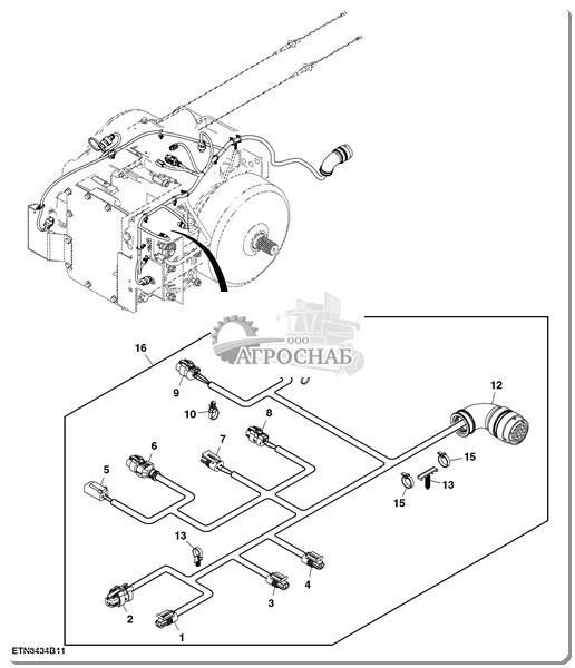
| 16 | AXE18101 | Жгут проводов | 1 |
| key | PART NO. | PART NAME | QTY | SERIAL NO. | REMARKS | |
|---|---|---|---|---|---|---|
| 1 | DE20952 | Коробка передач | 1 | |||
| PG203367 | Коробка передач | 1 | REMAN FOR DE20952, ORDER DE20952 |
| key | PART NO. | PART NAME | QTY | SERIAL NO. | REMARKS | |
|---|---|---|---|---|---|---|
| 1 | CE21626 | Корпус | 1 | |||
| 2 | CE21994 | Крышка | 1 | |||
| 3 | 19M7784 | Винт | 12 | M10 X 20 | ||
| 4 | CE21344 | Щиток | 1 | |||
| 5 | CE30011 | Щиток | 1 | |||
| 6 | 19M8546 | Винт с головкой | 1 | M14 X 40 | ||
| 7 | 14M7435 | Гайка | 1 | M14 | ||
| 8 | 19M8637 | Винт с головкой | 1 | M10 X 40 | ||
| 9 | 14M7274 | Гайка | 1 | M10 | ||
| 10 | RE537634 | Датчик | 1 | |||
| key | PART NO. | PART NAME | QTY | SERIAL NO. | REMARKS | |
| 11 | CE21502 | Фитинг | 1 | |||
| 12 | 25M3827 | Штифт с канавкой | 2 | 3 X 8 mm | ||
| 13 | 24M7338 | Шайба | 2 | 17 X 30 X 3 mm | ||
| 14 | HXE37251 | Винт | 2 | |||
| 15 | 14M7291 | Фланцевая гайка | 4 | M16 |
| key | PART NO. | PART NAME | QTY | SERIAL NO. | REMARKS | |
|---|---|---|---|---|---|---|
| 1 | CE21251 | Рычаг переключ. передач | 2 | |||
| 2 | L113217 | Зажимная скоба | 4 | |||
| 3 | R122638 | Установочный винт | 4 |
| key | PART NO. | PART NAME | QTY | SERIAL NO. | REMARKS | |
|---|---|---|---|---|---|---|
| 1 | AR94761 | Внутр. кольцо подшипника | 1 | |||
| 2 | CE21099 | Передача | 1 | Z = 34 | ||
| 3 | CE21105 | Передача | 1 | Z = 36 | ||
| 4 | CE21135 | Пружина сжатия | 2 | |||
| 5 | CE21136 | Установочный штифт | 2 | |||
| 6 | H110539 | Жиклер | 1 | |||
| 7 | JD10182 | Внутр. кольцо подшипника | 1 | |||
| 8 | CE21497 | Муфта переключателя | 1 | |||
| 9 | CE21498 | Синхронизатор | 1 | |||
| 10 | R275875 | Пружинное кольцо | 1 | |||
| key | PART NO. | PART NAME | QTY | SERIAL NO. | REMARKS | |
| 11 | CE21417 | Ось | 1 | |||
| 12 | DE20743 | Шлицевое соединение | 1 | |||
| 13 | M41029 | Пружинное кольцо | 2 | |||
| 14 | H142030 | Корпус | 1 | |||
| 15 | 19M7786 | Винт | 6 | M10 X 30 | ||
| 16 | H75358 | Установочный штифт | 1 | |||
| 17 | AH128528 | Ротор | 1 | |||
| 18 | H82234 | Пластина | 1 | |||
| 19 | H82232 | Шайба | 1 | |||
| 20 | H82233 | Втулка | 1 | |||
| key | PART NO. | PART NAME | QTY | SERIAL NO. | REMARKS | |
| 21 | H132892 | Прокладка | 2 | TK = 0.076 mm | ||
| H132893 | Прокладка | 4 | TK = 0.127 mm | |||
| H132894 | Прокладка | 4 | TK = 0.508 mm | |||
| 22 | JD8257 | Наружн. кольцо подшипн. | 1 | |||
| 23 | H142031 | Гильза | 1 | |||
| 24 | 15H638 | Трубная заглушка | 1 | 1/8" | ||
| 25 | 15H585 | Трубная заглушка | 1 | 3/4" | ||
| 26 | H131297 | Масляная трубка | 1 | |||
| 27 | R394R | Уплотнительное кольцо | AR | |||
| 28 | AH125228 | Фитинг | 1 | |||
| key | PART NO. | PART NAME | QTY | SERIAL NO. | REMARKS | |
| 29 | 19M8162 | Винт | 1 | M10 X 40 | ||
| 30 | R495R | Уплотнительное кольцо | AR | |||
| 31 | AH121580 | Сито | 1 | |||
| 32 | H131296 | Масляная трубка | 1 | |||
| 33 | CE18201 | Корпус | 1 | |||
| 34 | U10776 | Уплотнительное кольцо | 1 | |||
| 35 | JD8267 | Наружн. кольцо подшипн. | 1 | |||
| 36 | DE20946 | Ось | 1 |
| key | PART NO. | PART NAME | QTY | SERIAL NO. | REMARKS | |
|---|---|---|---|---|---|---|
| 1 | DE20949 | Промежуточный вал | 1 | |||
| 2 | 26M4228 | Шпонка вала | 1 | 8 X 28 mm | ||
| 3 | 40M7106 | Пружинное кольцо | 1 | |||
| 4 | 40M7166 | Пружинное кольцо | 2 | |||
| 5 | CE21105 | Передача | 1 | Z = 36 | ||
| 6 | CE21135 | Пружина сжатия | 4 | |||
| 7 | CE21136 | Установочный штифт | 4 | |||
| 8 | H110539 | Жиклер | 1 | |||
| 9 | JD8182 | Внутр. кольцо подшипника | 1 | |||
| 10 | JD8979 | Внутр. кольцо подшипника | 1 | |||
| key | PART NO. | PART NAME | QTY | SERIAL NO. | REMARKS | |
| 11 | CE21531 | Шайба | 1 | |||
| 12 | CE21497 | Муфта переключателя | 1 | |||
| 13 | CE21498 | Синхронизатор | 2 | |||
| 14 | R275875 | Пружинное кольцо | 1 | |||
| 15 | CE21126 | Вал сателлита | 1 | |||
| 16 | CE21419 | Передача | 1 | Z = 29 | ||
| 17 | CE21129 | Передача | 1 | Z = 41 | ||
| 18 | JD8223 | Наружн. кольцо подшипн. | 1 | |||
| 19 | H144385 | Крышка подшипника | 1 | |||
| 20 | U10746 | Уплотнительное кольцо | 1 | |||
| key | PART NO. | PART NAME | QTY | SERIAL NO. | REMARKS | |
| 21 | H129558 | Пружинное кольцо | 1 | |||
| 22 | CE18201 | Корпус | 1 | |||
| 23 | U10776 | Уплотнительное кольцо | 1 | |||
| 24 | JD8267 | Наружн. кольцо подшипн. | 1 | |||
| 25 | H132892 | Прокладка | 1 | TK = 0.076 mm | ||
| H132893 | Прокладка | 2 | TK = 0.127 mm | |||
| H132894 | Прокладка | 2 | TK = 0.51 mm | |||
| 26 | H176279 | Передача | 1 | Z = 24 |
| key | PART NO. | PART NAME | QTY | SERIAL NO. | REMARKS | |
|---|---|---|---|---|---|---|
| 1 | 34M7073 | Пружинный шплинт | 1 | 10 X 65 mm | ||
| 2 | CE20835 | Ведущая шестерня | 2 | |||
| 3 | CE20836 | Передача | 2 | Z = 20 | ||
| 4 | CE21998 | Корпус | 1 | |||
| 5 | CE21999 | Передача | 1 | Z = 62 | ||
| 6 | H133202 | Упорная шайба | 2 | |||
| 7 | H146646 | Штифт | 1 | |||
| 8 | H164794 | Шайба | 2 | |||
| 9 | JD7425 | Наружн. кольцо подшипн. | 2 | |||
| 10 | R135543 | Шайба | AR | |||
| key | PART NO. | PART NAME | QTY | SERIAL NO. | REMARKS | |
| 11 | R308123 | Винт с головкой | AR | |||
| 12 | R70112 | Упорная шайба | 2 | |||
| 13 | R70113 | Упорная шайба | 2 | |||
| 14 | R70115 | Игольчатый ролик | AR | |||
| 15 | YZ120471 | Кольцо | 2 | |||
| 16 | 19M7844 | Винт | AR | M16 X 45 | ||
| 17 | H130407 | Каретка | 2 | |||
| 18 | JD7502 | Цилиндр. ролик. подшипник | 2 | |||
| 19 | C3936E | Кольцо | 2 | |||
| 20 | AT40603 | Сальник | 2 | |||
| key | PART NO. | PART NAME | QTY | SERIAL NO. | REMARKS | |
| 21 | JD8147 | Внутр. кольцо подшипника | 2 | |||
| 22 | H126572 | Прокладка | 1 | TK = 0.076 mm | ||
| 23 | H126573 | Прокладка | 2 | TK = 0.127 mm | ||
| 24 | H126575 | Прокладка | 3 | TK = 0.508 mm | ||
| 25 | R27796 | Уплотнительное кольцо | 2 | |||
| 26 | 19M9871 | Винт с гол. п/торц. кл. | AR | M20 X 40 | ||
| 27 | H165508 | Ось | 2 | |||
| 28 | CE21688 | Тормозной барабан | 2 | |||
| 29 | B32564 | Кольцо | 2 | |||
| 30 | DE30236 | Тормоз | 1 | RH | ||
| key | PART NO. | PART NAME | QTY | SERIAL NO. | REMARKS | |
| 31 | DE30237 | Тормоз | 1 | LH | ||
| 32 | DE21111 | Маслопровод | 1 | RH | ||
| 33 | DE21110 | Маслопровод | 1 | LH | ||
| 34 | DE21113 | Мост с дифференциалом | 1 |
| key | PART NO. | PART NAME | QTY | SERIAL NO. | REMARKS | |
|---|---|---|---|---|---|---|
| 1 | DE30236 | Тормоз | 1 | |||
| 2 | DE30315 | Крестовина | 1 | |||
| 3 | ...... | Пластина | 1 | (E) | ||
| 4 | ...... | Стопорная шайба | 4 | M8 | ||
| 5 | ...... | Болт | 2 | M8 X 1.25 X 16 | ||
| 6 | DE30318 | Комплект барабанов | 1 | |||
| 7 | ...... | Болт | 2 | M8 X 1.25 X 20 | ||
| 8 | DE30306 | Анкер | 2 | |||
| 9 | DE30313 | Толкатель | 2 | |||
| 10 | DE30314 | Комплект башмаков | 2 | |||
| key | PART NO. | PART NAME | QTY | SERIAL NO. | REMARKS | |
| 11 | ...... | Кулиса | 1 | (C) | ||
| 12 | ...... | Рычаг | 1 | (C) | ||
| 13 | ...... | Гайка | 1 | (A) | ||
| 14 | ...... | Болт | 1 | (A) | ||
| 15 | ...... | Гильза | 1 | (A) | ||
| 16 | ...... | Прижимающий зажим | 3 | (B) | ||
| 17 | ...... | Стержень | 3 | (B) | ||
| 18 | ...... | Рычаг | 1 | (A) | ||
| 19 | ...... | Рычаг | 1 | (A) | ||
| 20 | ...... | Кулиса | 1 | (A) | ||
| key | PART NO. | PART NAME | QTY | SERIAL NO. | REMARKS | |
| 21 | ...... | Кулиса | 1 | (A) | ||
| 22 | ...... | Зажимная скоба | 2 | (C) | ||
| 23 | ...... | Пружина растяжения | 1 | (D) | ||
| 24 | ...... | Пружина растяжения | 1 | (D) | ||
| 25 | ...... | Пружина растяжения | 1 | (D) | ||
| 26 | ...... | Заглушка | 1 | (E) | ||
| .. | DE30304 | Компл. деталей регулят. | 1 | INCLUDES A | ||
| .. | DE30310 | Комплект держателей | 1 | INCLUDES B | ||
| .. | DE30311 | Комплект рыч. механизмов | 1 | INCLUDES C | ||
| .. | DE30317 | Комплект пружин | 1 | INCLUDES D | ||
| key | PART NO. | PART NAME | QTY | SERIAL NO. | REMARKS | |
| .. | DE30307 | Комплект пластин | 1 | INCLUDES E | ||
| .. | DE30309 | Выпускной клапан | 1 |
| key | PART NO. | PART NAME | QTY | SERIAL NO. | REMARKS | |
|---|---|---|---|---|---|---|
| 1 | DE30237 | Тормоз | 1 | |||
| 2 | DE30316 | Крестовина | 1 | |||
| 3 | ...... | Пластина | 1 | (E) | ||
| 4 | ...... | Стопорная шайба | 4 | M8 | ||
| 5 | ...... | Болт | 2 | M8 X 1.25 X 16 | ||
| 6 | DE30318 | Комплект барабанов | 1 | |||
| 7 | ...... | Болт | 2 | M8 X 1.25 X 20 | ||
| 8 | DE30306 | Анкер | 2 | |||
| 9 | DE30313 | Толкатель | 2 | |||
| 10 | DE30314 | Комплект башмаков | 2 | |||
| key | PART NO. | PART NAME | QTY | SERIAL NO. | REMARKS | |
| 11 | ...... | Кулиса | 1 | (C) | ||
| 12 | ...... | Рычаг | 1 | (C) | ||
| 13 | ...... | Гайка | 1 | (A) | ||
| 14 | ...... | Болт | 1 | (A) | ||
| 15 | ...... | Гильза | 1 | (A) | ||
| 16 | ...... | Прижимающий зажим | 3 | (B) | ||
| 17 | ...... | Стержень | 3 | (B) | ||
| 18 | ...... | Рычаг | 1 | (A) | ||
| 19 | ...... | Рычаг | 1 | (A) | ||
| 20 | ...... | Кулиса | 1 | (A) | ||
| key | PART NO. | PART NAME | QTY | SERIAL NO. | REMARKS | |
| 21 | ...... | Кулиса | 1 | (A) | ||
| 22 | ...... | Зажимная скоба | 2 | (C) | ||
| 23 | ...... | Пружина растяжения | 1 | (D) | ||
| 24 | ...... | Пружина растяжения | 1 | (D) | ||
| 25 | ...... | Пружина растяжения | 1 | (D) | ||
| 26 | ...... | Заглушка | 1 | (E) | ||
| .. | DE30305 | Компл. деталей регулят. | 1 | INCLUDES A | ||
| .. | DE30310 | Комплект держателей | 1 | INCLUDES B | ||
| .. | DE30312 | Комплект рыч. механизмов | 1 | INCLUDES C | ||
| .. | DE30317 | Комплект пружин | 1 | INCLUDES D | ||
| key | PART NO. | PART NAME | QTY | SERIAL NO. | REMARKS | |
| .. | DE30308 | Комплект пластин | 1 | INCLUDES E | ||
| .. | DE30309 | Выпускной клапан | 1 |
| key | PART NO. | PART NAME | QTY | SERIAL NO. | REMARKS | |
|---|---|---|---|---|---|---|
| 1 | 14M7435 | Гайка | 2 | M14 | ||
| 2 | 40M7229 | Пружинное кольцо | 2 | |||
| 3 | 42M7029 | Шпилька | 4 | |||
| 4 | 44M7144 | Установочный штифт | 2 | |||
| 5 | 51M7043 | Уплотнительное кольцо | 3 | 15.300 X 2.200 mm | ||
| 6 | 38H5003 | Фитинг переходника | 1 | |||
| 7 | 38H5009 | Фитинг переходника | 1 | |||
| 8 | T77857 | Уплотнительное кольцо | 2 | |||
| 9 | 51M7041 | Уплотнительное кольцо | 8 | 11.300 X 2.200 mm | ||
| 10 | AT338325 | Расходный гидр. клапан | 3 | |||
| key | PART NO. | PART NAME | QTY | SERIAL NO. | REMARKS | |
| 11 | CE21457 | Заглушка | 2 | |||
| 12 | CE21165 | Магистраль | 1 | |||
| 13 | CE21166 | Магистраль | 1 | |||
| 14 | CE21232 | Стопор | 3 | |||
| 15 | DE20884 | Клапан | 1 | |||
| 16 | AL110475 | Заглушка | 31 | |||
| 17 | RE46684 | Заглушка фитинга | 6 | |||
| 18 | AH20868 | Сапун | 2 | |||
| 19 | E80243 | Уплотнительное кольцо | 2 | |||
| 20 | JD8237 | Наружн. кольцо подшипн. | 1 | |||
| key | PART NO. | PART NAME | QTY | SERIAL NO. | REMARKS | |
| 21 | R107770 | Заглушка фитинга | 2 | |||
| 22 | R1225R | Уплотнительное кольцо | 2 | |||
| 23 | R194658 | Пружина сжатия | 2 | |||
| 24 | R194659 | Пружина сжатия | 2 | |||
| 25 | R207199 | Уплотнительное кольцо | 2 | |||
| 26 | R215255 | Пружинное кольцо | 2 | |||
| 27 | CE21765 | Пружина сжатия | 3 | |||
| 28 | R229763 | Гильза | 2 | |||
| 29 | R229765 | Поршень | 2 | |||
| 30 | R229768 | Сальник | 2 | |||
| key | PART NO. | PART NAME | QTY | SERIAL NO. | REMARKS | |
| 31 | R280231 | Золотниковый клапан | 1 | |||
| 32 | R281547 | Золотник клапана | 1 | |||
| 33 | DE21112 | Заглушка фитинга | 2 | |||
| 34 | RE537634 | Датчик | 1 | |||
| 35 | T57247 | Уплотнительное кольцо | 4 | |||
| 36 | 38H5016 | Коленчатый патрубок | 1 | |||
| 37 | T204128 | Винт | 6 | |||
| 38 | T77613 | Уплотнительное кольцо | 1 | |||
| 39 | 19M7844 | Винт | 2 | M16 X 45 | ||
| 40 | 19M10299 | Винт с гол. п/торц. кл. | 1 | M16 X 140 | ||
| key | PART NO. | PART NAME | QTY | SERIAL NO. | REMARKS | |
| 41 | CE21279 | Шлицевое соединение | 1 | |||
| 42 | CE21278 | Тональное колесо | 1 | |||
| 43 | R63308 | Уплотнительное кольцо | 1 | |||
| 44 | 14M7299 | Фланцевая гайка | 1 | M12 | ||
| 45 | DE20687 | Клапан | 1 |
| key | PART NO. | PART NAME | QTY | SERIAL NO. | REMARKS | |
|---|---|---|---|---|---|---|
| 1 | RE293623 | Датчик | 1 | |||
| 2 | 19M7560 | Винт с головкой | 4 | M6 X 16 | ||
| 3 | 40M1858 | Пружинное кольцо | 1 | |||
| 4 | 40M7181 | Пружинное кольцо | 1 | |||
| 5 | 44M7144 | Установочный штифт | 2 | |||
| 6 | 51M7044 | Уплотнительное кольцо | 3 | 17.300 X 2.200 mm | ||
| 7 | CE21282 | Уплотнительное кольцо | 1 | |||
| 8 | CE21993 | Корпус | 1 | |||
| 9 | CE21995 | Пружина сжатия | 1 | |||
| 10 | CE21996 | Заглушка | 1 | |||
| key | PART NO. | PART NAME | QTY | SERIAL NO. | REMARKS | |
| 11 | CE22078 | Заглушка | 1 | |||
| 12 | CE22081 | Магистраль | 1 | |||
| 13 | RE216786 | Фитинг | 2 | |||
| 14 | 19M7816 | Винт | 2 | M12 X 65 | ||
| 15 | 19M7819 | Винт | 1 | M12 X 90 | ||
| 16 | DE20737 | Заглушка | 2 | |||
| 17 | CE30005 | Уплотнительное кольцо | 2 | |||
| 18 | CE30006 | Уплотнительное кольцо | 1 | |||
| 19 | DE21109 | Линия | 1 | |||
| 20 | T77613 | Уплотнительное кольцо | 2 | |||
| key | PART NO. | PART NAME | QTY | SERIAL NO. | REMARKS | |
| 21 | 51M7040 | Уплотнительное кольцо | 2 | 9.300 X 2.200 mm | ||
| 22 | RE522144 | Пробка сливного отверстия | 1 | |||
| 23 | 38H5079 | Трубная гайка | 2 |
| key | PART NO. | PART NAME | QTY | SERIAL NO. | REMARKS | |
|---|---|---|---|---|---|---|
| 1 | DE31406 | Клапан | 1 | SUB FOR DE30710 | ||
| 2 | 19M8568 | Винт с головкой | 2 | M10 X 120 | ||
| 3 | 24M7053 | Шайба | 1 | 17 X 30 X 3 mm | ||
| 4 | DE30650 | Клапан | 1 | SUB FOR DE30173 | ||
| 5 | T77857 | Уплотнительное кольцо | 2 | |||
| 6 | 38H5153 | Фитинг переходника | 1 | |||
| 7 | 51M7043 | Уплотнительное кольцо | 2 | 15.300 X 2.200 mm | ||
| 8 | ...... | Датчик давления | 1 | ORDER KXE10420 | ||
| 9 | CE31376 | Пружина сжатия | 1 | SUB FOR CE21223 | ||
| 10 | CE21953 | Опора | 1 | |||
| key | PART NO. | PART NAME | QTY | SERIAL NO. | REMARKS | |
| 11 | DE21088 | Опора | 1 | |||
| 12 | DE21047 | Тормоз | 2 | |||
| 13 | 14M7273 | Гайка | 4 | M8 | ||
| 14 | DE30176 | Линия | 1 | |||
| 15 | H161729 | Сальник | 1 | |||
| 16 | H238030 | Заглушка | 1 | |||
| 17A | DE30174 | Клапан | 2 | |||
| 17B | DE30838 | Клапан | 2 | SUB FOR DE30174 | ||
| 18 | AL77433 | Заглушка | 5 | |||
| 19 | DE30503 | Поршень | 1 | SUB FOR DE21089 | ||
| key | PART NO. | PART NAME | QTY | SERIAL NO. | REMARKS | |
| 20 | CE21951 | Стержень | 1 | |||
| 21 | DE21126 | Поршень | 1 | |||
| 22 | 38H5003 | Фитинг переходника | 1 | |||
| 23 | AT338325 | Расходный гидр. клапан | 1 | |||
| 24 | R77175 | Крышка | 1 | |||
| 25 | T118330 | Болт | 1 | |||
| 26 | U44496 | Уплотнительное кольцо | 1 | |||
| 27 | T204128 | Винт | 2 | |||
| 28 | CE22005 | Крышка | 1 | |||
| 29 | 19M7603 | Винт | 5 | M6 X 20 | ||
| key | PART NO. | PART NAME | QTY | SERIAL NO. | REMARKS | |
| 30 | CE22004 | Крышка | 1 | |||
| 31 | 19M7836 | Винт | 4 | M10 X 110 | ||
| 32 | H156586 | Сальник | 1 | |||
| 33 | AH228044 | Катушка эл/магн. клапана | 1 | |||
| 34 | RE190805 | Диагностическая муфта | 1 | |||
| 35 | 51M7041 | Уплотнительное кольцо | 2 | 11.300 X 2.200 mm |
| key | PART NO. | PART NAME | QTY | SERIAL NO. | REMARKS | |
|---|---|---|---|---|---|---|
| 1 | AXE15826 | Мотор | 1 | |||
| PG203341 | Гидравлич. мотор восст. | 1 | REMAN FOR AXE15826 | |||
| 2 | AH141811 | Расходный гидр. клапан | 1 | |||
| 3 | 19H2347 | Винт с головкой | 6 | 7/16" X 3" | ||
| 4 | 19H1899 | Винт с головкой | 2 | 7/16" X 2" | ||
| 5 | Z65083 | Регулировочный хомут | 2 | |||
| 6 | ...... | Блок цилиндра | 1 | (ORD AH169693) | ||
| 7 | H135702 | Прокладка | 1 | |||
| 8 | AH112678 | Прокладка | 1 | Includes 6 Shims of Thickness 0.003", 0 .005", 0.010", 0.015", 0.020" And 0.030" | ||
| 9 | AZ56795 | Сальник | 1 | |||
| key | PART NO. | PART NAME | QTY | SERIAL NO. | REMARKS | |
| 10 | AH65358 | Подшипник | 1 | |||
| 11 | H138901 | Пластина | 1 | |||
| 12 | Z65106 | Пластина | 1 | |||
| 13 | AZ51529 | Комплект гидроцилиндров | 1 | |||
| 14 | AZ42076 | Опора | 1 | |||
| 15 | Z65079 | Пластина | 1 | |||
| 16 | AZ51528 | Поршень | 1 | |||
| 17 | Z53122 | Прокладка | 1 | |||
| 18 | AZ51527 | Поршень | 1 | |||
| 19 | ...... | Наклонная пластина | 1 | (ORD AH169693) | ||
| key | PART NO. | PART NAME | QTY | SERIAL NO. | REMARKS | |
| 20 | AZ56818 | Ведущий вал | 1 | |||
| 21 | AH131392 | Комплект пластин | 1 | |||
| 22 | ...... | Корпус | 1 | (ORD AH169693) | ||
| 23 | H135571 | Уплотнительная шайба | 2 | |||
| 24 | 19H3192 | Винт | 2 | 5/16" X 3" | ||
| 25 | H64813 | Установочный штифт | 1 | |||
| 26 | 15H558 | Трубная заглушка | 1 | 1/8" | ||
| 27 | R27175 | Пробка сливного отверстия | 1 | |||
| 28 | U12547 | Уплотнительное кольцо | 1 | |||
| 29 | N126612 | Пружинное кольцо | 1 | |||
| key | PART NO. | PART NAME | QTY | SERIAL NO. | REMARKS | |
| 30 | 19H2228 | Винт с головкой | 4 | 3/8" X 4" | ||
| 31 | R26448 | Уплотнительное кольцо | 2 | |||
| 32 | AH125760 | Быстросъемн. гидр. муфта | 2 | |||
| 33 | R77175 | Крышка | 2 | |||
| 34 | H63271 | Штифт | 5 | |||
| 35 | AN272356 | Комплект уплотнений | 1 | |||
| 36 | ...... | Наружн. кольцо подшипн. | 1 | (ORD AZ42073) | ||
| 37 | JD7297 | Наружн. кольцо подшипн. | 1 | INCL KEY 36 (KIT AZ56818) | ||
| 38 | H117461 | Кольцо | 1 | (KIT AZ56818) | ||
| 39 | 19H3352 | Винт | 4 | 5/16" X 1-1/4" | ||
| key | PART NO. | PART NAME | QTY | SERIAL NO. | REMARKS | |
| 40 | H135700 | Пластина | 1 | |||
| 41 | N191174 | Пружина сжатия | 1 | |||
| 42 | N196034 | Уплотнительное кольцо | 1 | |||
| 43 | U15415 | Уплотнительное кольцо | 1 | |||
| 44 | T187712 | Пружинное кольцо | 1 | |||
| 45 | A4728R | Уплотнительное кольцо | 1 |
| key | PART NO. | PART NAME | QTY | SERIAL NO. | REMARKS | |
|---|---|---|---|---|---|---|
| 1 | R27175 | Пробка сливного отверстия | 2 | |||
| 2 | R26906 | Уплотнительное кольцо | 2 | |||
| 3 | ...... | Пружина | 2 | |||
| 4 | N126654 | Клапан | 2 | |||
| 5 | N128541 | Втулка | 1 | |||
| 6 | AH131308 | Комплект клапанов | 1 | |||
| 7 | U40729 | Защитное кольцо | 2 | |||
| 8 | N130510 | Уплотнительное кольцо | 2 | |||
| 9 | AN272356 | Сальник | 1 | |||
| 10 | R28782 | Уплотнительное кольцо | 3 | |||
| key | PART NO. | PART NAME | QTY | SERIAL NO. | REMARKS | |
| 11 | AN122497 | Редукционный клапан | 1 | |||
| 12 | U17409 | Уплотнительное кольцо | 1 | |||
| 13 | U15192 | Уплотнительное кольцо | 2 | |||
| 14 | H63289 | Уплотнительное кольцо | 1 | |||
| 15 | AZ51504 | Редукционный клапан | 2 | |||
| 16 | U17402 | Шайба | 2 | |||
| 17 | R51031 | Фитинг | 3 | |||
| 18 | 19H2228 | Винт с головкой | 4 | 3/8" X 4" | ||
| 19 | AH141811 | Расходный гидр. клапан | 1 | |||
| .. | AXE16673 | Редукционный клапан | 1 |
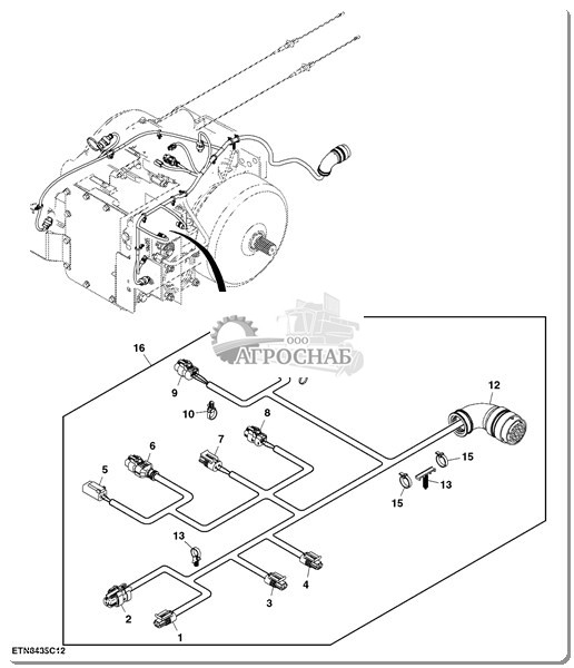
| key | PART NO. | PART NAME | QTY | SERIAL NO. | REMARKS | |
|---|---|---|---|---|---|---|
| 1 | 57M7850 | Корпус электр. разъема | 1 | Gear Interlock | ||
| 57M7829 | Клемма электр. разъема | 2 | ||||
| 2 | 57M9775 | Корпус электр. разъема | 1 | Input Shaft Speed | ||
| 57M9808 | Клемма электр. разъема | 2 | ||||
| 3 | 57M7850 | Корпус электр. разъема | 1 | Gear Select 2 | ||
| 57M7829 | Клемма электр. разъема | 2 | ||||
| 4 | 57M7850 | Корпус электр. разъема | 1 | Gear Select 1 | ||
| 57M7829 | Клемма электр. разъема | 2 | ||||
| 5 | 57M10517 | Корпус электр. разъема | 1 | Park Brake Sump | ||
| 57M8165 | Клемма электр. разъема | 2 | ||||
| key | PART NO. | PART NAME | QTY | SERIAL NO. | REMARKS | |
| 57M8022 | Блок. устр. эл. разъема | 1 | ||||
| 6 | 57M9780 | Корпус электр. разъема | 1 | Park Brake Pressure Sensor | ||
| 57M9808 | Клемма электр. разъема | 3 | ||||
| 57M9838 | Вспом. электр. разъем | 1 | ||||
| 7 | 57M7850 | Корпус электр. разъема | 1 | Park Brake Supply | ||
| 57M7829 | Клемма электр. разъема | 2 | ||||
| 8 | 57M9775 | Корпус электр. разъема | 1 | Ground Speed | ||
| 57M9808 | Клемма электр. разъема | 2 | ||||
| 9 | 57M9780 | Корпус электр. разъема | 1 | Gear 3 Position Sensor | ||
| 57M9808 | Клемма электр. разъема | 3 | ||||
| key | PART NO. | PART NAME | QTY | SERIAL NO. | REMARKS | |
| 10 | 57M10233 | Обвязной хомут | 7 | Wire Tie Clip | ||
| 11 | 57M9780 | Корпус электр. разъема | 1 | Gear 1/2 Position Sensor | ||
| 57M9808 | Клемма электр. разъема | 3 | ||||
| 57M9838 | Вспом. электр. разъем | 1 | ||||
| 12 | 57M8794 | Корпус электр. разъема | 1 | PBST Jumper | ||
| 57M9808 | Клемма электр. разъема | 11 | ||||
| 57M8165 | Клемма электр. разъема | 6 | ||||
| 57M8704 | Вспом. электр. разъем | 1 | ||||
| 13 | 57M11166 | Вспом. электр. разъем | 1 | |||
| 14 | 57M10421 | Вспом. электр. разъем | 1 | |||
| key | PART NO. | PART NAME | QTY | SERIAL NO. | REMARKS | |
| 15 | R44302 | Обвязной хомут | 2 | |||
| 16 | AXE18101 | Жгут проводов | 1 |
| key | PART NO. | PART NAME | QTY | SERIAL NO. | REMARKS | |
|---|---|---|---|---|---|---|
| 1 | DE30320 | Коробка передач | 1 | SUB FOR APPL DE20950, W/O HD Brakes and PBA | ||
| DE20950 | Коробка передач | 1 | W/ HD Brakes and PBA |
| key | PART NO. | PART NAME | QTY | SERIAL NO. | REMARKS | |
|---|---|---|---|---|---|---|
| 1 | CE21626 | Корпус | 1 | |||
| 2 | CE21994 | Крышка | 1 | |||
| 3 | 19M7784 | Винт | 12 | M10 X 20 | ||
| 4 | CE21344 | Щиток | 1 | |||
| 5 | CE30011 | Щиток | 1 | |||
| 6 | 19M7335 | Винт с головкой | 1 | M14 X 45 | ||
| 7 | 14M7435 | Гайка | 1 | M14 | ||
| 8 | 19M8637 | Винт с головкой | 1 | M10 X 40 | ||
| 9 | 14M7274 | Гайка | 1 | M10 | ||
| 10 | RE537634 | Датчик | 1 | |||
| key | PART NO. | PART NAME | QTY | SERIAL NO. | REMARKS | |
| 11 | 25M3827 | Штифт с канавкой | 1 | 3 X 8 mm | ||
| 12 | 14M7291 | Фланцевая гайка | 4 | M16 | ||
| 13 | 24M7338 | Шайба | 2 | 17 X 30 X 3 mm | ||
| 14 | HXE37251 | Винт | 2 | |||
| 15 | CE20773 | Фитинг | 1 | |||
| 16 | R62070 | Кольцо | 1 |
| key | PART NO. | PART NAME | QTY | SERIAL NO. | REMARKS | |
|---|---|---|---|---|---|---|
| 1 | CE21251 | Рычаг переключ. передач | 2 | |||
| 2 | L113217 | Зажимная скоба | 4 | |||
| 3 | R122638 | Установочный винт | 4 |
| key | PART NO. | PART NAME | QTY | SERIAL NO. | REMARKS | |
|---|---|---|---|---|---|---|
| 1 | AR94761 | Внутр. кольцо подшипника | 1 | |||
| 2 | CE21099 | Передача | 1 | Z = 34 | ||
| 3 | CE21105 | Передача | 1 | Z = 36 | ||
| 4 | CE21135 | Пружина сжатия | 2 | |||
| 5 | CE21136 | Установочный штифт | 2 | |||
| 6 | H110539 | Жиклер | 1 | |||
| 7 | JD10182 | Внутр. кольцо подшипника | 1 | |||
| 8 | CE21497 | Муфта переключателя | 1 | |||
| 9 | CE21498 | Синхронизатор | 1 | |||
| 10 | R275875 | Пружинное кольцо | 1 | |||
| key | PART NO. | PART NAME | QTY | SERIAL NO. | REMARKS | |
| 11 | CE21098 | Вал сателлита | 1 | |||
| 12 | DE20743 | Шлицевое соединение | 1 | |||
| 13 | M41029 | Пружинное кольцо | 2 | |||
| 14 | H142030 | Корпус | 1 | |||
| 15 | 19M7786 | Винт | 6 | M10 X 30 | ||
| 16 | H75358 | Установочный штифт | 1 | |||
| 17 | AH128528 | Ротор | 1 | |||
| 18 | H82234 | Пластина | 1 | |||
| 19 | H82232 | Шайба | 1 | |||
| 20 | H82233 | Втулка | 1 | |||
| key | PART NO. | PART NAME | QTY | SERIAL NO. | REMARKS | |
| 21 | H132892 | Прокладка | 2 | TK = 0.076 mm | ||
| H132893 | Прокладка | 4 | TK = 0.127 mm | |||
| H132894 | Прокладка | 4 | TK = 0.508 mm | |||
| 22 | JD8257 | Наружн. кольцо подшипн. | 1 | |||
| 23 | H142031 | Гильза | 1 | |||
| 24 | 15H638 | Трубная заглушка | 1 | 1/8" | ||
| 25 | DE20944 | Ось | 1 | 30 KPH | ||
| 26 | H131297 | Масляная трубка | 1 | |||
| 27 | R394R | Уплотнительное кольцо | AR | |||
| 28 | AH125228 | Фитинг | 1 | |||
| key | PART NO. | PART NAME | QTY | SERIAL NO. | REMARKS | |
| 29 | 19M8162 | Винт | 1 | M10 X 40 | ||
| 30 | R495R | Уплотнительное кольцо | AR | |||
| 31 | AH121580 | Сито | 1 | |||
| 32 | H131296 | Масляная трубка | 1 | |||
| 33 | CE18201 | Корпус | 1 | |||
| 34 | U10776 | Уплотнительное кольцо | 1 | |||
| 35 | JD8267 | Наружн. кольцо подшипн. | 1 |
| key | PART NO. | PART NAME | QTY | SERIAL NO. | REMARKS | |
|---|---|---|---|---|---|---|
| 1 | DE20947 | Промежуточный вал | 1 | |||
| 2 | 26M4228 | Шпонка вала | 1 | 8 X 28 mm | ||
| 3 | 40M7106 | Пружинное кольцо | 1 | |||
| 4 | 40M7166 | Пружинное кольцо | 2 | |||
| 5 | CE21105 | Передача | 1 | Z = 36 | ||
| 6 | CE21135 | Пружина сжатия | 4 | |||
| 7 | CE21136 | Установочный штифт | 4 | |||
| 8 | H110539 | Жиклер | 1 | |||
| 9 | JD8182 | Внутр. кольцо подшипника | 1 | |||
| 10 | H176279 | Передача | 1 | Z = 24 | ||
| key | PART NO. | PART NAME | QTY | SERIAL NO. | REMARKS | |
| 11 | CE21531 | Шайба | 1 | |||
| 12 | CE21497 | Муфта переключателя | 1 | |||
| 13 | CE21498 | Синхронизатор | 2 | |||
| 14 | R275875 | Пружинное кольцо | 1 | |||
| 15 | CE21126 | Вал сателлита | 1 | |||
| 16 | CE21128 | Передача | 1 | Z = 32 | ||
| 17 | CE21129 | Передача | 1 | Z = 41 | ||
| 18 | JD8223 | Наружн. кольцо подшипн. | 1 | |||
| 19 | H144385 | Крышка подшипника | 1 | |||
| 20 | U10746 | Уплотнительное кольцо | 1 | |||
| key | PART NO. | PART NAME | QTY | SERIAL NO. | REMARKS | |
| 21 | H129558 | Пружинное кольцо | 1 | |||
| 22 | CE18201 | Корпус | 1 | |||
| 23 | U10776 | Уплотнительное кольцо | 1 | |||
| 24 | JD8267 | Наружн. кольцо подшипн. | 1 | |||
| 25 | H132892 | Прокладка | 1 | TK = 0.076 mm | ||
| H132893 | Прокладка | 2 | TK = 0.127 mm | |||
| H132894 | Прокладка | 2 | TK = 0.508 mm | |||
| 26 | JD8979 | Внутр. кольцо подшипника | 1 |
| key | PART NO. | PART NAME | QTY | SERIAL NO. | REMARKS | |
|---|---|---|---|---|---|---|
| 1 | 34M7073 | Пружинный шплинт | 1 | 10 X 65 mm | ||
| 2 | CE20835 | Ведущая шестерня | 2 | |||
| 3 | CE20836 | Передача | 2 | Z = 20 | ||
| 4 | CE21998 | Корпус | 1 | |||
| 5 | CE21997 | Передача | 1 | Z = 60 | ||
| 6 | H133202 | Упорная шайба | 2 | |||
| 7 | H146646 | Штифт | 1 | |||
| 8 | H164794 | Шайба | 2 | |||
| 9 | JD7425 | Наружн. кольцо подшипн. | 2 | |||
| 10 | R135543 | Шайба | AR | |||
| key | PART NO. | PART NAME | QTY | SERIAL NO. | REMARKS | |
| 11 | DE30236 | Тормоз | 1 | RH | ||
| 12 | R70112 | Упорная шайба | 2 | |||
| 13 | R70113 | Упорная шайба | 2 | |||
| 14 | R70115 | Игольчатый ролик | AR | |||
| 15 | YZ120471 | Кольцо | 2 | |||
| 16 | 19M7844 | Винт | AR | M16 X 45 | ||
| 17 | H130407 | Каретка | 2 | |||
| 18 | JD7502 | Цилиндр. ролик. подшипник | 2 | |||
| 19 | C3936E | Кольцо | 2 | |||
| 20 | AT40603 | Сальник | 2 | |||
| key | PART NO. | PART NAME | QTY | SERIAL NO. | REMARKS | |
| 21 | JD8147 | Внутр. кольцо подшипника | 2 | |||
| 22 | H126572 | Прокладка | 1 | TK = 0.076 mm | ||
| 23 | H126573 | Прокладка | 2 | TK = 0.127 mm | ||
| 24 | H126575 | Прокладка | 3 | TK = 0.508 mm | ||
| 25 | R27796 | Уплотнительное кольцо | 2 | |||
| 26 | DE30237 | Тормоз | 1 | LH | ||
| 27 | H165508 | Ось | 2 | |||
| 28 | CE21688 | Тормозной барабан | 2 | |||
| 29 | B32564 | Кольцо | 2 |
| key | PART NO. | PART NAME | QTY | SERIAL NO. | REMARKS | |
|---|---|---|---|---|---|---|
| 1 | DE30236 | Тормоз | 1 | |||
| 2 | DE30315 | Крестовина | 1 | |||
| 3 | ...... | Пластина | 1 | (E) | ||
| 4 | ...... | Стопорная шайба | 4 | M8 | ||
| 5 | ...... | Болт | 2 | M8 X 1.25 X 16 | ||
| 6 | DE30318 | Комплект барабанов | 1 | |||
| 7 | ...... | Болт | 2 | M8 X 1.25 X 20 | ||
| 8 | DE30306 | Анкер | 2 | |||
| 9 | DE30313 | Толкатель | 2 | |||
| 10 | DE30314 | Комплект башмаков | 2 | |||
| key | PART NO. | PART NAME | QTY | SERIAL NO. | REMARKS | |
| 11 | ...... | Кулиса | 1 | (C) | ||
| 12 | ...... | Рычаг | 1 | (C) | ||
| 13 | ...... | Гайка | 1 | (A) | ||
| 14 | ...... | Болт | 1 | (A) | ||
| 15 | ...... | Гильза | 1 | (A) | ||
| 16 | ...... | Прижимающий зажим | 3 | (B) | ||
| 17 | ...... | Стержень | 3 | (B) | ||
| 18 | ...... | Рычаг | 1 | (A) | ||
| 19 | ...... | Рычаг | 1 | (A) | ||
| 20 | ...... | Кулиса | 1 | (A) | ||
| key | PART NO. | PART NAME | QTY | SERIAL NO. | REMARKS | |
| 21 | ...... | Кулиса | 1 | (A) | ||
| 22 | ...... | Зажимная скоба | 2 | (C) | ||
| 23 | ...... | Пружина растяжения | 1 | (D) | ||
| 24 | ...... | Пружина растяжения | 1 | (D) | ||
| 25 | ...... | Пружина растяжения | 1 | (D) | ||
| 26 | ...... | Заглушка | 1 | (E) | ||
| .. | DE30304 | Компл. деталей регулят. | 1 | INCLUDES A | ||
| .. | DE30310 | Комплект держателей | 1 | INCLUDES B | ||
| .. | DE30311 | Комплект рыч. механизмов | 1 | INCLUDES C | ||
| .. | DE30317 | Комплект пружин | 1 | INCLUDES D | ||
| key | PART NO. | PART NAME | QTY | SERIAL NO. | REMARKS | |
| .. | DE30307 | Комплект пластин | 1 | INCLUDES E | ||
| .. | DE30309 | Выпускной клапан | 1 |
| key | PART NO. | PART NAME | QTY | SERIAL NO. | REMARKS | |
|---|---|---|---|---|---|---|
| 1 | DE30237 | Тормоз | 1 | |||
| 2 | DE30316 | Крестовина | 1 | |||
| 3 | ...... | Пластина | 1 | (E) | ||
| 4 | ...... | Стопорная шайба | 4 | M8 | ||
| 5 | ...... | Болт | 2 | M8 X 1.25 X 16 | ||
| 6 | DE30318 | Комплект барабанов | 1 | |||
| 7 | ...... | Болт | 2 | M8 X 1.25 X 20 | ||
| 8 | DE30306 | Анкер | 2 | |||
| 9 | DE30313 | Толкатель | 2 | |||
| 10 | DE30314 | Комплект башмаков | 2 | |||
| key | PART NO. | PART NAME | QTY | SERIAL NO. | REMARKS | |
| 11 | ...... | Кулиса | 1 | (C) | ||
| 12 | ...... | Рычаг | 1 | (C) | ||
| 13 | ...... | Гайка | 1 | (A) | ||
| 14 | ...... | Болт | 1 | (A) | ||
| 15 | ...... | Гильза | 1 | (A) | ||
| 16 | ...... | Прижимающий зажим | 3 | (B) | ||
| 17 | ...... | Стержень | 3 | (B) | ||
| 18 | ...... | Рычаг | 1 | (A) | ||
| 19 | ...... | Рычаг | 1 | (A) | ||
| 20 | ...... | Кулиса | 1 | (A) | ||
| key | PART NO. | PART NAME | QTY | SERIAL NO. | REMARKS | |
| 21 | ...... | Кулиса | 1 | (A) | ||
| 22 | ...... | Зажимная скоба | 2 | (C) | ||
| 23 | ...... | Пружина растяжения | 1 | (D) | ||
| 24 | ...... | Пружина растяжения | 1 | (D) | ||
| 25 | ...... | Пружина растяжения | 1 | (D) | ||
| 26 | ...... | Заглушка | 1 | (E) | ||
| .. | DE30305 | Компл. деталей регулят. | 1 | INCLUDES A | ||
| .. | DE30310 | Комплект держателей | 1 | INCLUDES B | ||
| .. | DE30312 | Комплект рыч. механизмов | 1 | INCLUDES C | ||
| .. | DE30317 | Комплект пружин | 1 | INCLUDES D | ||
| key | PART NO. | PART NAME | QTY | SERIAL NO. | REMARKS | |
| .. | DE30308 | Комплект пластин | 1 | INCLUDES E | ||
| .. | DE30309 | Выпускной клапан | 1 |
| key | PART NO. | PART NAME | QTY | SERIAL NO. | REMARKS | |
|---|---|---|---|---|---|---|
| 1 | 14M7435 | Гайка | 2 | M14 | ||
| 2 | 40M7229 | Пружинное кольцо | 2 | |||
| 3 | 42M7029 | Шпилька | 4 | |||
| 4 | 44M7144 | Установочный штифт | 2 | |||
| 5 | 51M7043 | Уплотнительное кольцо | 3 | 15.300 X 2.200 mm | ||
| 6 | 38H5003 | Фитинг переходника | 1 | |||
| 7 | 38H5009 | Фитинг переходника | 1 | |||
| 8 | T77857 | Уплотнительное кольцо | 2 | |||
| 9 | 51M7041 | Уплотнительное кольцо | 8 | 11.300 X 2.200 mm | ||
| 10 | AT338325 | Расходный гидр. клапан | 3 | |||
| key | PART NO. | PART NAME | QTY | SERIAL NO. | REMARKS | |
| 11 | CE21457 | Заглушка | 2 | |||
| 12 | CE21165 | Магистраль | 1 | |||
| 13 | CE21166 | Магистраль | 1 | |||
| 14 | CE21232 | Стопор | 3 | |||
| 15 | DE20884 | Клапан | 1 | |||
| 16 | DE20687 | Клапан | 1 | |||
| 17 | RE46684 | Заглушка фитинга | 6 | |||
| 18 | AH20868 | Сапун | 2 | |||
| 19 | E80243 | Уплотнительное кольцо | 2 | |||
| 20 | JD8237 | Наружн. кольцо подшипн. | 1 | |||
| key | PART NO. | PART NAME | QTY | SERIAL NO. | REMARKS | |
| 21 | R107770 | Заглушка фитинга | 2 | |||
| 22 | R1225R | Уплотнительное кольцо | 2 | |||
| 23 | R194658 | Пружина сжатия | 2 | |||
| 24 | R194659 | Пружина сжатия | 2 | |||
| 25 | R207199 | Уплотнительное кольцо | 2 | |||
| 26 | R215255 | Пружинное кольцо | 2 | |||
| 27 | 14M7299 | Фланцевая гайка | 1 | M12 | ||
| 28 | R229763 | Гильза | 2 | |||
| 29 | R229765 | Поршень | 2 | |||
| 30 | R229768 | Сальник | 2 | |||
| key | PART NO. | PART NAME | QTY | SERIAL NO. | REMARKS | |
| 31 | ...... | Золотниковый клапан | 1 | |||
| 32 | ...... | Золотник клапана | 1 | |||
| 33 | R63308 | Уплотнительное кольцо | 1 | |||
| 34 | RE537634 | Датчик | 1 | |||
| 35 | T57247 | Уплотнительное кольцо | 4 | |||
| 36 | 38H5016 | Коленчатый патрубок | 1 | |||
| 37 | T204128 | Винт | 6 | |||
| 38 | T77613 | Уплотнительное кольцо | 1 | |||
| 39 | 19M7844 | Винт | 2 | M16 X 45 | ||
| 40 | 19M10299 | Винт с гол. п/торц. кл. | 1 | M16 X 140 | ||
| key | PART NO. | PART NAME | QTY | SERIAL NO. | REMARKS | |
| 41 | DE20743 | Шлицевое соединение | 1 |
| key | PART NO. | PART NAME | QTY | SERIAL NO. | REMARKS | |
|---|---|---|---|---|---|---|
| 1 | RE522144 | Пробка сливного отверстия | 1 | |||
| 2 | 19M7560 | Винт с головкой | 4 | M6 X 16 | ||
| 3 | 40M7119 | Пружинное кольцо | 1 | |||
| 4 | 40M7181 | Пружинное кольцо | 1 | |||
| 5 | 44M7144 | Установочный штифт | 2 | |||
| 6 | 51M7044 | Уплотнительное кольцо | 3 | 17.300 X 2.200 mm | ||
| 7 | CE21282 | Уплотнительное кольцо | 1 | |||
| 8 | CE21993 | Корпус | 1 | |||
| 9 | CE21995 | Пружина сжатия | 1 | |||
| 10 | CE21996 | Заглушка | 1 | |||
| key | PART NO. | PART NAME | QTY | SERIAL NO. | REMARKS | |
| 11 | CE22078 | Заглушка | 1 | |||
| 12 | CE22081 | Магистраль | 1 | |||
| 13 | RE216786 | Фитинг | 2 | |||
| 14 | 19M7816 | Винт | 2 | M12 X 65 | ||
| 15 | 19M7819 | Винт | 1 | M12 X 90 | ||
| 16 | DE20737 | Заглушка | 2 | |||
| 17 | CE30005 | Уплотнительное кольцо | 2 | |||
| 18 | CE30006 | Уплотнительное кольцо | 1 | |||
| 19 | DE21109 | Линия | 1 | |||
| 20 | T77613 | Уплотнительное кольцо | 2 | |||
| key | PART NO. | PART NAME | QTY | SERIAL NO. | REMARKS | |
| 21 | 51M7040 | Уплотнительное кольцо | 2 | 9.300 X 2.200 mm | ||
| 22 | RE293623 | Датчик | 1 |
| key | PART NO. | PART NAME | QTY | SERIAL NO. | REMARKS | |
|---|---|---|---|---|---|---|
| 1 | DE31406 | Клапан | 1 | SUB FOR DE30710 | ||
| 2 | 19M8568 | Винт с головкой | 2 | M10 X 120 | ||
| 3 | 24M7053 | Шайба | 1 | 17 X 30 X 3 mm | ||
| 4 | DE30650 | Клапан | 1 | SUB FOR DE30173 | ||
| 5 | T77857 | Уплотнительное кольцо | 2 | |||
| 6 | R77175 | Крышка | 1 | |||
| 7 | 51M7043 | Уплотнительное кольцо | 2 | 15.300 X 2.200 mm | ||
| 8 | AXE16689 | Датчик давления | 1 | ORDER KXE10420 | ||
| 9 | CE31376 | Пружина сжатия | 1 | SUB FOR CE21223 | ||
| 10 | CE21953 | Опора | 1 | |||
| key | PART NO. | PART NAME | QTY | SERIAL NO. | REMARKS | |
| 11 | 51M7041 | Уплотнительное кольцо | 2 | 11.300 X 2.200 mm | ||
| 12 | DE21047 | Тормоз | 2 | |||
| 13 | 14M7273 | Гайка | 4 | M8 | ||
| 14 | DE30176 | Линия | 1 | |||
| 15 | H161729 | Сальник | 1 | |||
| 16 | H238030 | Заглушка | 1 | |||
| 17A | DE30174 | Клапан | 2 | |||
| 17B | DE30838 | Клапан | 2 | SUB FOR DE30174 | ||
| 18 | RE190805 | Диагностическая муфта | 1 | |||
| 19 | DE30503 | Поршень | 1 | SUB FOR DE21089 | ||
| key | PART NO. | PART NAME | QTY | SERIAL NO. | REMARKS | |
| 20 | AH228044 | Катушка эл/магн. клапана | 1 | |||
| 21 | 61M5153 | Фитинг переходника | 1 | |||
| 22 | 38H5003 | Фитинг переходника | 1 | |||
| 23 | AT338325 | Расходный гидр. клапан | 1 | |||
| 24 | H156586 | Сальник | 1 | |||
| 25 | 19M7836 | Винт | 4 | M10 X 110 | ||
| 26 | CE22004 | Крышка | 1 | |||
| 27 | T204128 | Винт | 2 | |||
| 28 | CE22005 | Крышка | 1 | |||
| 29 | 19M7603 | Винт | 5 | M6 X 20 | ||
| key | PART NO. | PART NAME | QTY | SERIAL NO. | REMARKS | |
| 30 | AL166902 | Заглушка | 5 |
| key | PART NO. | PART NAME | QTY | SERIAL NO. | REMARKS | |
|---|---|---|---|---|---|---|
| 1 | KXE10420 | Датчик давления | 1 | |||
| 2 | AXE59276 | Жгут проводов | 1 | |||
| 3 | 57M9784 | Корпус электр. разъема | 1 | |||
| 57M9812 | Клемма электр. разъема | 3 | ||||
| 57M9838 | Вспом. электр. разъем | 1 | ||||
| 4 | 57M10431 | Корпус электр. разъема | 1 | |||
| 57M8560 | Клемма электр. разъема | 3 | ||||
| 57M9223 | Уплотнен. электр. разъема | 3 | ||||
| 57M11405 | Вспом. электр. разъем | 1 | ||||
| 5 | AXE59268 | Датчик давления | 1 |
| key | PART NO. | PART NAME | QTY | SERIAL NO. | REMARKS | |
|---|---|---|---|---|---|---|
| 1 | AXE15826 | Мотор | 1 | |||
| PG203341 | Гидравлич. мотор восст. | 1 | REMAN FOR AXE15826 | |||
| 2 | AH141811 | Расходный гидр. клапан | 1 | |||
| 3 | 19H2347 | Винт с головкой | 6 | 7/16" X 3" | ||
| 4 | 19H1899 | Винт с головкой | 2 | 7/16" X 2" | ||
| 5 | Z65083 | Регулировочный хомут | 2 | |||
| 6 | ...... | Блок цилиндра | 1 | (ORD AH169693) | ||
| 7 | H135702 | Прокладка | 1 | |||
| 8 | AH112678 | Прокладка | 1 | Includes 6 Shims of Thickness 0.003", 0 .005", 0.010", 0.015", 0.020" And 0.030" | ||
| 9 | AZ56795 | Сальник | 1 | |||
| key | PART NO. | PART NAME | QTY | SERIAL NO. | REMARKS | |
| 10 | AH65358 | Подшипник | 1 | |||
| 11 | H138901 | Пластина | 1 | |||
| 12 | ...... | Наружн. кольцо подшипн. | 1 | (ORD AZ42073) | ||
| 13 | JD7297 | Наружн. кольцо подшипн. | 1 | INCL KEY 36 (KIT AZ56818) | ||
| 14 | H117461 | Кольцо | 1 | (KIT AZ56818) | ||
| 15 | H135700 | Пластина | 1 | |||
| 16 | N191174 | Пружина сжатия | 1 | |||
| 17 | N196034 | Уплотнительное кольцо | 1 | |||
| 18 | U15415 | Уплотнительное кольцо | 1 | |||
| 19 | ...... | Наклонная пластина | 1 | (ORD AH169693) | ||
| key | PART NO. | PART NAME | QTY | SERIAL NO. | REMARKS | |
| 20 | T187712 | Пружинное кольцо | 1 | |||
| 21 | T19832 | Уплотнительное кольцо | 1 | |||
| 22 | ...... | Корпус | 1 | (ORD AH169693) | ||
| 23 | H135571 | Уплотнительная шайба | 2 | |||
| 24 | 19H3192 | Винт | 2 | 5/16" X 3" | ||
| 25 | H64813 | Установочный штифт | 1 | |||
| 26 | 15H558 | Трубная заглушка | 1 | 1/8" | ||
| 27 | R27175 | Пробка сливного отверстия | 1 | |||
| 28 | U12547 | Уплотнительное кольцо | 1 | |||
| 29 | N126612 | Пружинное кольцо | 1 | |||
| key | PART NO. | PART NAME | QTY | SERIAL NO. | REMARKS | |
| 30 | 19H2228 | Винт с головкой | 4 | 3/8" X 4" | ||
| 31 | R26448 | Уплотнительное кольцо | 2 | |||
| 32 | AH125760 | Быстросъемн. гидр. муфта | 2 | |||
| 33 | R77175 | Крышка | 2 | |||
| 34 | H63271 | Штифт | 5 | |||
| 35 | AN272356 | Комплект уплотнений | 1 |
| key | PART NO. | PART NAME | QTY | SERIAL NO. | REMARKS | |
|---|---|---|---|---|---|---|
| 1 | R27175 | Пробка сливного отверстия | 2 | |||
| 2 | R26906 | Уплотнительное кольцо | 2 | |||
| 3 | ...... | Пружина | 2 | |||
| 4 | N126654 | Клапан | 2 | |||
| 5 | N128541 | Втулка | 1 | |||
| 6 | AH131308 | Комплект клапанов | 1 | |||
| 7 | U40729 | Защитное кольцо | 2 | |||
| 8 | N130510 | Уплотнительное кольцо | 2 | |||
| 9 | AN272356 | Сальник | 1 | |||
| 10 | R28782 | Уплотнительное кольцо | 3 | |||
| key | PART NO. | PART NAME | QTY | SERIAL NO. | REMARKS | |
| 11 | AN122497 | Редукционный клапан | 1 | |||
| 12 | U17409 | Уплотнительное кольцо | 1 | |||
| 13 | U15192 | Уплотнительное кольцо | 2 | |||
| 14 | H63289 | Уплотнительное кольцо | 1 | |||
| 15 | AZ51504 | Редукционный клапан | 2 | |||
| 16 | U17402 | Шайба | 2 | |||
| 17 | R51031 | Фитинг | 3 | |||
| 18 | 19H2228 | Винт с головкой | 4 | 3/8" X 4" | ||
| 19 | AH141811 | Расходный гидр. клапан | 1 | |||
| .. | AXE16673 | Редукционный клапан | 1 |
| key | PART NO. | PART NAME | QTY | SERIAL NO. | REMARKS | |
|---|---|---|---|---|---|---|
| 1 | 57M7850 | Корпус электр. разъема | 1 | Gear Interlock | ||
| 57M7829 | Клемма электр. разъема | 2 | ||||
| 2 | 57M9775 | Корпус электр. разъема | 1 | Input Shaft Speed | ||
| 57M9808 | Клемма электр. разъема | 2 | ||||
| 3 | 57M7850 | Корпус электр. разъема | 1 | Gear Select 2 | ||
| 57M7829 | Клемма электр. разъема | 2 | ||||
| 4 | 57M7850 | Корпус электр. разъема | 1 | Gear Select 1 | ||
| 57M7829 | Клемма электр. разъема | 2 | ||||
| 5 | 57M10517 | Корпус электр. разъема | 1 | Park Brake Sump | ||
| 57M8165 | Клемма электр. разъема | 2 | ||||
| key | PART NO. | PART NAME | QTY | SERIAL NO. | REMARKS | |
| 57M8022 | Блок. устр. эл. разъема | 1 | ||||
| 6 | 57M9780 | Корпус электр. разъема | 1 | Park Brake Pressure Sensor | ||
| 57M9808 | Клемма электр. разъема | 3 | ||||
| 57M9838 | Вспом. электр. разъем | 1 | ||||
| 7 | 57M7850 | Корпус электр. разъема | 1 | Park Brake Supply | ||
| 57M7829 | Клемма электр. разъема | 2 | ||||
| 8 | 57M9775 | Корпус электр. разъема | 1 | Ground Speed | ||
| 57M9808 | Клемма электр. разъема | 2 | ||||
| 9 | 57M9780 | Корпус электр. разъема | 1 | Gear 3 Position Sensor | ||
| 57M9808 | Клемма электр. разъема | 3 | ||||
| key | PART NO. | PART NAME | QTY | SERIAL NO. | REMARKS | |
| 10 | 57M10233 | Обвязной хомут | 7 | Wire Tie Clip | ||
| 11 | 57M9780 | Корпус электр. разъема | 1 | Gear 1/2 Position Sensor | ||
| 57M9808 | Клемма электр. разъема | 3 | ||||
| 57M9838 | Вспом. электр. разъем | 1 | ||||
| 12 | 57M8794 | Корпус электр. разъема | 1 | PBST Jumper | ||
| 57M9808 | Клемма электр. разъема | 11 | ||||
| 57M8165 | Клемма электр. разъема | 6 | ||||
| 57M8704 | Вспом. электр. разъем | 1 | ||||
| 13 | 57M11166 | Вспом. электр. разъем | 1 | |||
| 14 | 57M10421 | Вспом. электр. разъем | 1 | |||
| key | PART NO. | PART NAME | QTY | SERIAL NO. | REMARKS | |
| 15 | R44302 | Обвязной хомут | 2 | |||
| 16 | AXE18101 | Жгут проводов | 1 |
| key | PART NO. | PART NAME | QTY | SERIAL NO. | REMARKS | |
|---|---|---|---|---|---|---|
| 1 | AH125490 | Диск муфты | 4 | |||
| 2 | CE17885 | Ступица | 1 | |||
| 3 | CE17886 | Барабан | 1 | |||
| 4 | CE17887 | Поршень | 1 | |||
| 5 | CE31624 | Ведущий вал | 1 | SUB FOR CE20119 | ||
| 6 | CE17900 | Шайба | 1 | |||
| 7 | CE17940 | Пружинное кольцо | 1 | |||
| 8 | 400R | Шар | 1 | |||
| 9 | CE20231 | Прокладка | 1 | |||
| 10 | DE20926 | Корпус | 1 | |||
| key | PART NO. | PART NAME | QTY | SERIAL NO. | REMARKS | |
| 11 | JD8676 | Шариковый подшипник | 1 | |||
| 12 | R76937 | Шайба | 1 | |||
| 13 | R77764 | Кольцевой уплотнитель | 2 | |||
| 14 | T14323 | Пружинное кольцо | 1 | |||
| 15 | T49676 | Круглый стопор | 1 | |||
| 16 | T50409 | Пружинное кольцо | 1 | |||
| 17 | T50415 | Тарельчатая пружина | 5 | |||
| 18 | T62508 | Шайба | 1 | |||
| 19 | T70309 | Пластина | 4 | |||
| 20 | 19M7786 | Винт | 6 | M10 X 30 | ||
| key | PART NO. | PART NAME | QTY | SERIAL NO. | REMARKS | |
| 21 | 19M7863 | Винт | 8 | M6 X 25 | ||
| 22 | 40M7090 | Пружинное кольцо | 1 | |||
| 23 | DE18734 | Ступица | 1 | |||
| 24 | R204520 | Кольцо | 1 | |||
| 25 | DE20127 | Корпус | 1 | |||
| 26 | H111474 | Штифт | 1 | |||
| 27 | R68824 | Сиденье | 1 | |||
| 28 | 15H559 | Трубная заглушка | 1 | 1/4" | ||
| 29 | DE20480 | Муфта | 1 | |||
| 30 | AH209644 | Сальник | 1 |
| key | PART NO. | PART NAME | QTY | SERIAL NO. | REMARKS | |
|---|---|---|---|---|---|---|
| 1 | AZ33988 | Сальник | 1 | |||
| 2 | 19M7835 | Винт | 10 | M10 X 35 | ||
| 3 | DE30177 | Редуктор | 1 | |||
| 4 | 14M7291 | Фланцевая гайка | 1 | M16 | ||
| 5 | 19M7829 | Винт | 1 | M16 X 130 | ||
| 6 | AH89557 | Зажимная скоба | 1 | |||
| 7 | CE17427 | Гильза | 1 | |||
| 8 | CE17439 | Передача | 1 | Z = 49 | ||
| 9 | CE17440 | Передача | 1 | Z = 58 | ||
| 10 | CE17441 | Ось | 1 | |||
| key | PART NO. | PART NAME | QTY | SERIAL NO. | REMARKS | |
| 11 | CE17454 | Уплотнительное кольцо | 1 | |||
| 12 | CE17525 | Прокладка | 1 | TK = 0.50 mm | ||
| 13 | CE17526 | Прокладка | 1 | TK = 0.08 mm | ||
| 14 | CE17527 | Прокладка | 1 | TK = 0.13 mm | ||
| 15 | CE17528 | Прокладка | 1 | TK = 0.25 mm | ||
| 16 | CE18486 | Распорная втулка | 1 | |||
| 17 | CE20433 | Наружн. кольцо подшипн. | 2 | |||
| 18 | CE30024 | Корпус | 1 | |||
| 19 | DE18556 | Упорный подшипник | 1 | |||
| 20 | DE20282 | Внутр. кольцо подшипника | 2 | |||
| key | PART NO. | PART NAME | QTY | SERIAL NO. | REMARKS | |
| 21 | R26906 | Уплотнительное кольцо | 1 | |||
| 22 | R27218 | Заглушка фитинга | 2 | |||
| 23 | R27474 | Пробка сливного отверстия | 1 | |||
| 24 | T42302 | Уплотнительное кольцо | 1 | |||
| 25 | U15973 | Уплотнительное кольцо | 1 | |||
| 26 | 38H1160 | Фитинг переходника | 1 | |||
| 27 | R26448 | Уплотнительное кольцо | 3 | |||
| 28 | R28782 | Уплотнительное кольцо | 1 | |||
| 29 | 19M7790 | Винт | 3 | M12 X 35 | ||
| 30 | 19M7818 | Винт | 9 | M12 X 80 | ||
| key | PART NO. | PART NAME | QTY | SERIAL NO. | REMARKS | |
| 31 | 38H1168 | Фитинг переходника | 1 | |||
| 32 | T77814 | Уплотнительное кольцо | 1 | |||
| 33 | H151592 | Корп. подшипн. без подш. | 1 | |||
| 34 | AH144149 | Сальник | 1 | |||
| 35 | 40M7232 | Пружинное кольцо | 1 | |||
| 36 | H173375 | Ось | 1 | |||
| 37 | R89326 | Сальник | 1 | |||
| 38 | H156321 | Шкив | 1 | |||
| 39 | 19M7789 | Винт | 6 | M12 X 30 | ||
| 40 | AE38448 | Редукционный клапан | 1 | |||
| key | PART NO. | PART NAME | QTY | SERIAL NO. | REMARKS | |
| 41 | AH168572 | Шкив | 1 | |||
| 42 | H150201 | Втулка | 2 | |||
| 43 | JD7759 | Смазочная арматура | 2 | |||
| 44 | 15H638 | Трубная заглушка | 2 | 1/8" | ||
| 45 | P48703 | Пружинное кольцо | 1 | |||
| 46 | R26543 | Уплотнительное кольцо | 2 | |||
| 47 | AH144147 | Сальник | 1 | |||
| 48 | T48776 | Пружинное кольцо | 1 | |||
| 49 | AH136497 | Сальник | 1 | |||
| 50 | 19M8162 | Винт | 6 | M10 X 40 | ||
| key | PART NO. | PART NAME | QTY | SERIAL NO. | REMARKS | |
| 51 | 24H1668 | Шайба | 2 | 1-17/64" X 2-1/4" X 0.134" | ||
| 52 | H165447 | Стопорная гайка | 2 | |||
| 53 | 24H1542 | Шайба | 1 | 1-17/32" X 3" X 5/16" | ||
| 54 | H173373 | Ступица | 1 | |||
| 55 | R1225R | Уплотнительное кольцо | 2 | |||
| 56 | H177409 | Защитное кольцо | 1 | |||
| 57 | L2027CU | Уплотнительное кольцо | 1 | |||
| 58 | R70099 | Сальник | 1 | |||
| 59 | U40910 | Защитное кольцо | 1 | |||
| 60 | H150693 | Уплотнительное кольцо | 1 |
| key | PART NO. | PART NAME | QTY | SERIAL NO. | REMARKS | |
|---|---|---|---|---|---|---|
| 1 | DE20432 | Редуктор | 1 | |||
| 2 | 19M7815 | Винт | 4 | M12 X 60 | ||
| 3 | 19M7968 | Винт с головкой | 2 | M20 X 130 | ||
| 4 | 19M8224 | Винт с головкой | 2 | M20 X 60 | ||
| 5 | 19M7979 | Винт | 7 | M8 X 55 | ||
| 6 | CE30048 | Прокладка | 1 | |||
| 7 | DE20475 | Клапан | 1 | |||
| 8 | 14M7299 | Фланцевая гайка | 4 | M12 | ||
| 9 | N61709 | Втулка | 1 | |||
| 10 | N231749 | Шайба | 4 | |||
| key | PART NO. | PART NAME | QTY | SERIAL NO. | REMARKS | |
| 11 | 37H26 | Винт | 2 | 0.116" X 1/4" |
| key | PART NO. | PART NAME | QTY | SERIAL NO. | REMARKS | |
|---|---|---|---|---|---|---|
| 1 | DE20475 | Клапан | 1 | |||
| 2 | 38H5002 | Фитинг переходника | 1 | |||
| 3 | 51M7041 | Уплотнительное кольцо | 5 | 11.300 X 2.200 mm | ||
| 4 | T77613 | Уплотнительное кольцо | 1 | |||
| 5 | 38H5030 | Тройник | 1 | |||
| 6 | 51M7045 | Уплотнительное кольцо | 1 | 19.300 X 2.200 mm | ||
| 7 | 38H5152 | Фитинг переходника | 2 | |||
| 8 | 51M7047 | Уплотнительное кольцо | 2 | 23.600 X 2.900 mm | ||
| 9 | AXE13616 | Переключатель давления | 1 | |||
| 10 | CE20143 | Корпус | 1 | |||
| key | PART NO. | PART NAME | QTY | SERIAL NO. | REMARKS | |
| 11 | DE19753 | Клапан | 1 | (A) | ||
| 12 | AXE58691 | Клапан | 1 | (B) SUB FOR DE20754 | ||
| 13 | CE21285 | Заглушка фитинга | 1 | |||
| 14 | 51M7044 | Уплотнительное кольцо | 3 | 17.300 X 2.200 mm | ||
| 15 | CE21284 | Заглушка фитинга | 1 | |||
| 16 | DE31894 | Заглушка фитинга | 1 | SUB FOR DE30008 | ||
| 17 | CE34286 | Заглушка фитинга | 1 | SUB FOR CE30032 | ||
| 18 | H89241 | Пружина | 1 | |||
| 19 | R28776 | Уплотнительное кольцо | 3 | |||
| 20 | R33521 | Прокладка | 3 | TK = 0.75 mm | ||
| key | PART NO. | PART NAME | QTY | SERIAL NO. | REMARKS | |
| 21 | CE30443 | Пружина сжатия | 1 | |||
| 22 | CE31174 | Клапан | 3 | |||
| 23 | R107768 | Пробка сливного отверстия | 3 | |||
| 24 | RE190805 | Диагностическая муфта | 1 | |||
| 25 | RE537637 | Датчик темп. охл. жидк. | 1 | |||
| 26 | CE31802 | Пружина сжатия | 1 | SUB FOR CE30444 | ||
| 27 | T204128 | Винт | 4 | |||
| 28 | DE19412 | Гидрошланг | 1 | |||
| 29 | T77932 | Уплотнительное кольцо | 4 | |||
| 30 | AXE54504 | Фитинг переходника | 1 | |||
| key | PART NO. | PART NAME | QTY | SERIAL NO. | REMARKS | |
| 31 | RE46684 | Заглушка фитинга | 3 |
| key | PART NO. | PART NAME | QTY | SERIAL NO. | REMARKS | |
|---|---|---|---|---|---|---|
| 1 | 19M7784 | Винт | 4 | M10 X 20 | ||
| 2 | AH90990 | Зажимная скоба | 1 | |||
| 3 | CE19693 | Кронштейн | 1 | |||
| 4 | AH128449 | Гидравлический фильтр | 1 | |||
| 5 | T77857 | Уплотнительное кольцо | 1 | |||
| 6 | T77858 | Уплотнительное кольцо | 6 | |||
| 7 | U12547 | Уплотнительное кольцо | 2 | |||
| 8 | 38H1013 | Коленчатый патрубок | 1 | |||
| 9 | AH227847 | Корпус фильтра | 1 | |||
| 10 | AXE48833 | Переключатель | 1 | SUB FOR AH225734 | ||
| key | PART NO. | PART NAME | QTY | SERIAL NO. | REMARKS | |
| 11 | AH128451 | Гидравл. нагнетат. клапан | 1 | |||
| 12 | 38H1215 | Фитинг переходника | 1 | |||
| 13 | R26448 | Уплотнительное кольцо | 1 | |||
| 14 | R27976 | Уплотнительное кольцо | 1 |
| key | PART NO. | PART NAME | QTY | SERIAL NO. | REMARKS | |
|---|---|---|---|---|---|---|
| 1 | JD9132 | Наружн. кольцо подшипн. | 2 | |||
| 2 | JD9075 | Внутр. кольцо подшипника | 2 | |||
| 3 | DE18569 | Коническая шестерня | 1 | Z = 56 / 37 | ||
| 4 | H125839 | Уплотнительное кольцо | 1 | |||
| 5 | CE17453 | Прокладка | 3 | TK = 0.50 mm | ||
| 6 | CE17452 | Прокладка | 1 | TK = 0.50 mm | ||
| 7 | CE17451 | Прокладка | 1 | TK = 0.13 mm | ||
| 8 | CE17450 | Прокладка | 1 | TK = 0.08 mm | ||
| 9 | CE17425 | Корпус | 1 | |||
| 10 | 19M7819 | Винт | 12 | M12 X 90 | ||
| key | PART NO. | PART NAME | QTY | SERIAL NO. | REMARKS | |
| 11 | CE18446 | Уплотнительное кольцо | 1 | |||
| 12 | JD8206 | Наружн. кольцо подшипн. | 1 | |||
| 13 | JD8162 | Внутр. кольцо подшипника | 1 | |||
| 14 | CE17434 | Передача | 1 | Z = 49 | ||
| 15 | H110800 | Стопорная шайба | 2 | |||
| 16 | H122650 | Стопорная гайка | 4 | |||
| 17 | H110801 | Стопорная шайба | 2 | |||
| 18 | 26H105 | Шпонка вала | 1 | 3/8" X 2-1/8" | ||
| 19 | DE19182 | Передача | 1 | Z = 23 / 34 | ||
| 20 | H125837 | Маслосборник | 1 | |||
| key | PART NO. | PART NAME | QTY | SERIAL NO. | REMARKS | |
| 21 | R72032 | Уплотнительное кольцо | 1 | |||
| 22 | H125737 | Прокладка | 3 | TK = 0.50 mm | ||
| 23 | H125736 | Прокладка | 1 | TK = 0.25 mm | ||
| 24 | H125735 | Прокладка | 1 | TK = 0.13 mm | ||
| 25 | H125734 | Прокладка | 1 | TK = 0.08 mm | ||
| 26 | H125738 | Корпус | 1 | |||
| 27 | 19M7805 | Винт | 5 | M10 X 45 | ||
| 28 | JD9007 | Внутр. кольцо подшипника | 1 | |||
| 29 | CE19990 | Фильтр | 1 | |||
| 30 | H126792 | Прокладка | 1 | |||
| key | PART NO. | PART NAME | QTY | SERIAL NO. | REMARKS | |
| 31 | CE21566 | Колпачок | 1 | |||
| 32 | 19M7798 | Винт | 2 | M8 X 40 | ||
| 33 | CE21585 | Труба | 1 | |||
| 34 | AXE23432 | Щуп | 1 | |||
| 35 | CE20304 | Уплотнительное кольцо | 1 | |||
| 36 | 19M7868 | Винт | 2 | M8 X 30 | ||
| 37 | DE30518 | Труба | 1 | |||
| 38 | 51M7049 | Уплотнительное кольцо | 1 | 38.600 X 2.900 mm |
| key | PART NO. | PART NAME | QTY | SERIAL NO. | REMARKS | |
|---|---|---|---|---|---|---|
| 1 | H119028 | Прокладка | 1 | TK = 0.08 mm | ||
| 2 | JD8206 | Наружн. кольцо подшипн. | 3 | |||
| 3 | JD8162 | Внутр. кольцо подшипника | 2 | |||
| 4 | DE19182 | Передача | 1 | Z = 23 / 34 | ||
| 5 | H125740 | Прокладка | 1 | TK = 0.08 mm | ||
| 6 | H125733 | Корпус | 1 | |||
| 7 | 19M7835 | Винт | 30 | M10 X 35 | ||
| 8 | DE20480 | Муфта | 1 | |||
| 9 | H119029 | Прокладка | 1 | TK = 0.13 mm | ||
| 10 | H119030 | Прокладка | 1 | TK = 0.25 mm | ||
| key | PART NO. | PART NAME | QTY | SERIAL NO. | REMARKS | |
| 11 | H119031 | Прокладка | 3 | TK = 0.50 mm | ||
| 12 | H125741 | Прокладка | 1 | TK = 0.13 mm | ||
| 13 | H125742 | Прокладка | 1 | TK = 0.25 mm | ||
| 14 | H125743 | Прокладка | 4 | TK = 0.50 mm | ||
| 15 | H125354 | Прокладка | 1 |
| key | PART NO. | PART NAME | QTY | SERIAL NO. | REMARKS | |
|---|---|---|---|---|---|---|
| 1 | DE18609 | Конич. роликов. подшипник | 1 | |||
| 2 | CE18403 | Наружн. кольцо подшипн. | 1 | |||
| 3 | L29041 | Прокладка | 1 | TK = 0.0762 mm | ||
| 4 | P46770 | Пружинное кольцо | 1 | |||
| 5 | AH139118 | Ось | 1 | |||
| 6 | R43305 | Втулка | 1 | |||
| 7 | N61709 | Втулка | 4 | |||
| 8 | 19M7866 | Винт | 8 | M8 X 20 | ||
| 9 | H127159 | Крышка | 1 | |||
| 10 | H130140 | Желоб | 1 | |||
| key | PART NO. | PART NAME | QTY | SERIAL NO. | REMARKS | |
| 11 | H137328 | Стопорная гайка | AR | |||
| 12 | DE18569 | Коническая шестерня | 1 | Z = 37 / 56 | ||
| 13 | 26H105 | Шпонка вала | 1 | 3/8" X 2-1/8" | ||
| 14 | JD8162 | Внутр. кольцо подшипника | 1 | |||
| 15 | JD8206 | Наружн. кольцо подшипн. | 1 | |||
| 16 | AT28975 | Сальник | 1 | |||
| 17 | H125838 | Уплотнительное кольцо | 1 | |||
| 18 | H125740 | Прокладка | 1 | TK = 0.08 mm | ||
| 19 | N231749 | Шайба | 4 | |||
| 20 | 19M8224 | Винт с головкой | 2 | M20 X 60 | ||
| key | PART NO. | PART NAME | QTY | SERIAL NO. | REMARKS | |
| 21 | 19M7968 | Винт с головкой | 2 | M20 X 130 | ||
| 22 | 14M7299 | Фланцевая гайка | 4 | M12 | ||
| 23 | AH151653 | Шариковый подшипник | 1 | |||
| 24 | H152924 | Шкив | 1 | |||
| 25 | JD7797 | Смазочная арматура | 1 | |||
| 26 | 14M7296 | Фланцевая гайка | 2 | M10 | ||
| 27 | H101878 | Ступица | 1 | |||
| 28 | DE21028 | Сальник | 1 | |||
| 29 | CE20785 | Корпус | 1 | |||
| 30 | R26906 | Уплотнительное кольцо | 1 | |||
| key | PART NO. | PART NAME | QTY | SERIAL NO. | REMARKS | |
| 31 | R27474 | Пробка сливного отверстия | 1 | |||
| 32 | 19M7835 | Винт | 6 | M10 X 35 | ||
| 33 | 19M7811 | Винт | 2 | M10 X 90 | ||
| 34 | CE20120 | Ось | 1 | |||
| 35 | 26M6787 | Шпонка вала | 1 | 10 X 32 mm | ||
| 36 | H174410 | Формован. фланцевый корпус | 1 | |||
| 37 | 19M8306 | Винт | 4 | M12 X 50 | ||
| 38 | CE21377 | Шкив | 1 | |||
| 39 | 24H1668 | Шайба | 2 | 1-17/64" X 2-1/4" X 0.134" | ||
| 40 | H165447 | Стопорная гайка | 2 | |||
| key | PART NO. | PART NAME | QTY | SERIAL NO. | REMARKS | |
| 41 | L29042 | Прокладка | 1 | TK = 0.127 mm | ||
| 42 | L29043 | Прокладка | 1 | TK = 0.254 mm | ||
| 43 | L29044 | Прокладка | 3 | TK = 0.508 mm | ||
| 44 | H125741 | Прокладка | 1 | TK = 0.13 mm | ||
| 45 | H125742 | Прокладка | 1 | TK = 0.25 mm | ||
| 46 | H125743 | Прокладка | 4 | TK = 0.5 mm | ||
| 47 | H119031 | Прокладка | 3 | TK = 0.5 mm | ||
| 48 | H119030 | Прокладка | 1 | TK = 0.25 mm | ||
| 49 | H119029 | Прокладка | 1 | TK = 0.13 mm | ||
| 50 | H119028 | Прокладка | 1 | TK = 0.08 mm |
| key | PART NO. | PART NAME | QTY | SERIAL NO. | REMARKS | |
|---|---|---|---|---|---|---|
| 1 | AH168456 | Шлицевое соединение | 1 | |||
| 2 | R42729 | Шайба | 6 | |||
| 3 | R57725 | Винт | 6 | |||
| 4 | JD7147 | Шариковый подшипник | 1 |
| key | PART NO. | PART NAME | QTY | SERIAL NO. | REMARKS | |
|---|---|---|---|---|---|---|
| 1 | 14M7300 | Фланцевая гайка | 2 | M20 | ||
| 2 | 19M8639 | Винт с головкой | 2 | M20 X 70 | ||
| 3 | N231749 | Шайба | 2 |
| key | PART NO. | PART NAME | QTY | SERIAL NO. | REMARKS | |
|---|---|---|---|---|---|---|
| 1 | 42M7028 | Шпилька | 2 |
| key | PART NO. | PART NAME | QTY | SERIAL NO. | REMARKS | |
|---|---|---|---|---|---|---|
| 1 | H163561 | Распорная втулка | 12 | |||
| 2 | H87691 | Втулка | 4 | |||
| 3 | 19M7889 | Винт с головкой | 12 | M24 X 80 |
| key | PART NO. | PART NAME | QTY | SERIAL NO. | REMARKS | |
|---|---|---|---|---|---|---|
| 1 | BH92135 | Метка компл. нав. обор. | 1 |
| key | PART NO. | PART NAME | QTY | SERIAL NO. | REMARKS | |
|---|---|---|---|---|---|---|
| 1 | BH92136 | Распорная втулка | 1 |
| key | PART NO. | PART NAME | QTY | SERIAL NO. | REMARKS | |
|---|---|---|---|---|---|---|
| 1 | BH81869 | Комплект болтов | 1 |
| key | PART NO. | PART NAME | QTY | SERIAL NO. | REMARKS | |
|---|---|---|---|---|---|---|
| 1 | H163561 | Распорная втулка | 12 | |||
| 2 | H87691 | Втулка | 8 | |||
| 3 | H227642 | Распорная втулка | 2 | |||
| 4 | 19M7782 | Винт с головкой | 12 | M24 X 180 |
| key | PART NO. | PART NAME | QTY | SERIAL NO. | REMARKS | |
|---|---|---|---|---|---|---|
| 1 | BH92138 | Метка компл. нав. обор. | 1 |
| key | PART NO. | PART NAME | QTY | SERIAL NO. | REMARKS | |
|---|---|---|---|---|---|---|
| 1 | BH92139 | Распорная втулка | 1 |
| key | PART NO. | PART NAME | QTY | SERIAL NO. | REMARKS | |
|---|---|---|---|---|---|---|
| 1 | BH92137 | Стержень | 1 |
| key | PART NO. | PART NAME | QTY | SERIAL NO. | REMARKS | |
|---|---|---|---|---|---|---|
| 1 | H163561 | Распорная втулка | 12 | |||
| 2 | H87691 | Втулка | 8 | |||
| 3 | 19M7889 | Винт с головкой | 12 | M24 X 80 | ||
| 4 | H133635 | Стержень | 1 | |||
| 5 | H130287 | Распорная втулка | 2 | |||
| 6 | H130288 | Гайка | 2 | |||
| 7 | 14M7278 | Гайка | 12 | M24 | ||
| 8 | 14M7431 | Гайка | 2 | M30 | ||
| 9 | 19M8288 | Винт с головкой | 12 | M24 X 90 | ||
| 10 | 24M7243 | Шайба | 12 | 25.400 X 50 X 6 mm | ||
| key | PART NO. | PART NAME | QTY | SERIAL NO. | REMARKS | |
| 11 | H168165 | Распорная втулка | 2 |
| key | PART NO. | PART NAME | QTY | SERIAL NO. | REMARKS | |
|---|---|---|---|---|---|---|
| 1 | BH92363 | Кат. нав. обор./комплект. | 1 | SUB FOR BH92140 |
| key | PART NO. | PART NAME | QTY | SERIAL NO. | REMARKS | |
|---|---|---|---|---|---|---|
| 1 | H163561 | Распорная втулка | 12 | |||
| 2 | H87691 | Втулка | 8 | |||
| 3 | 19M7889 | Винт с головкой | 12 | M24 X 80 | ||
| 4 | H133635 | Стержень | 1 | |||
| 5 | H130287 | Распорная втулка | 2 | |||
| 6 | H130288 | Гайка | 2 | |||
| 7 | 14M7278 | Гайка | 12 | M24 | ||
| 8 | 14M7431 | Гайка | 2 | M30 | ||
| 9 | 19M8288 | Винт с головкой | 12 | M24 X 90 | ||
| 10 | 24M7243 | Шайба | 12 | 25.400 X 50 X 6 mm | ||
| key | PART NO. | PART NAME | QTY | SERIAL NO. | REMARKS | |
| 11 | H168744 | Распорная втулка | 2 | ORDER HXE71480 | ||
| HXE71480 | Распорная втулка | 2 |
| key | PART NO. | PART NAME | QTY | SERIAL NO. | REMARKS | |
|---|---|---|---|---|---|---|
| 1 | BH92364 | Метка компл. нав. обор. | 1 | SUB FOR BH92141 |
| key | PART NO. | PART NAME | QTY | SERIAL NO. | REMARKS | |
|---|---|---|---|---|---|---|
| 1 | H163561 | Распорная втулка | 12 | |||
| 2 | H87691 | Втулка | 8 | |||
| 3 | 19M7889 | Винт с головкой | 12 | M24 X 80 | ||
| 4 | H133635 | Стержень | 1 | |||
| 5 | H130287 | Распорная втулка | 2 | |||
| 6 | H130288 | Гайка | 2 | |||
| 7 | 14M7278 | Гайка | 12 | M24 | ||
| 8 | 14M7431 | Гайка | 2 | M30 | ||
| 9 | 19M8288 | Винт с головкой | 12 | M24 X 90 | ||
| 10 | 24M7243 | Шайба | 12 | 25.400 X 50 X 6 mm | ||
| key | PART NO. | PART NAME | QTY | SERIAL NO. | REMARKS | |
| 11 | HXE71479 | Распорная втулка | 2 |
| key | PART NO. | PART NAME | QTY | SERIAL NO. | REMARKS | |
|---|---|---|---|---|---|---|
| 1 | BH92142 | Распорная втулка | 1 |
| key | PART NO. | PART NAME | QTY | SERIAL NO. | REMARKS | |
|---|---|---|---|---|---|---|
| 1 | H163561 | Распорная втулка | 12 | |||
| 2 | H87691 | Втулка | 8 | |||
| 3 | 19M7889 | Винт с головкой | 12 | M24 X 80 | ||
| 4 | H133635 | Стержень | 1 | |||
| 5 | H130287 | Распорная втулка | 2 | |||
| 6 | H130288 | Гайка | 2 | |||
| 7 | 14M7278 | Гайка | 12 | M24 | ||
| 8 | 14M7431 | Гайка | 2 | M30 | ||
| 9 | 19M8288 | Винт с головкой | 12 | M24 X 90 | ||
| 10 | 24M7243 | Шайба | 12 | 25.400 X 50 X 6 mm | ||
| key | PART NO. | PART NAME | QTY | SERIAL NO. | REMARKS | |
| 11 | H168745 | Распорная втулка | 2 |
| key | PART NO. | PART NAME | QTY | SERIAL NO. | REMARKS | |
|---|---|---|---|---|---|---|
| 1 | AH130626 | КОЛЕСО | 2 | (A) 42X16, 480/80R42 | ||
| AH163172 | КОЛЕСО | 2 | (A) 38X18A, 520/85R38 | |||
| AH145348 | КОЛЕСО | 2 | (A) 42X18, 520/85R42 | |||
| AXE39085 | КОЛЕСО | 2 | (A) 38X23A, 650/85R38 | |||
| 2 | AH163171 | КОЛЕСО | 2 | (B) 38X18A, 520/85R38 | ||
| AH150345 | КОЛЕСО | 2 | (B) 42X16, 480/80R42 | |||
| AH150346 | КОЛЕСО | 2 | (B) 42X18, 520/85R42 | |||
| AXE39088 | КОЛЕСО | 2 | (B) 38X23A, 650/85R38 | |||
| 3 | AT25226 | Шток вентиля шины | 4 | |||
| 4 | N381900 | Метка | 4 | 610 Nm / 450 lb.-ft | ||
| key | PART NO. | PART NAME | QTY | SERIAL NO. | REMARKS | |
| HXE38390 | Метка | 4 | 710 Nm / 524 lb.-ft, USE WITH R201955 | |||
| 5 | H158975 | Метка | 4 | SUB FOR H122573 | ||
| 6 | HXE110576 | Метка | 4 | 710 Nm / 524 lb.-ft, USE WITH HXE110758 |
| key | PART NO. | PART NAME | QTY | SERIAL NO. | REMARKS | |
|---|---|---|---|---|---|---|
| 1 | AXE15660 | КОЛЕСО | 2 | 38X30B | ||
| AH232255 | КОЛЕСО | 2 | 32X27B, 30.5LR32, 800/65R32 | |||
| AXE23104 | КОЛЕСО | 2 | 32X27B, 800/70R32, SUB FOR AH232255 | |||
| AH232256 | КОЛЕСО | 2 | 38X27B, 800/70R38 | |||
| AH202377 | КОЛЕСО | 2 | 32X36A, 1050/50R32 | |||
| AXE10248 | КОЛЕСО | 2 | 32X30B, 900/65R32, 900/60R32 | |||
| AXE10352 | КОЛЕСО | 2 | 32X23B, 680/85R32 | |||
| 2 | AH86866 | Заглушка | 2 | |||
| 3 | HXE38390 | Метка | 2 | 710 Nm / 524 lb.-ft | ||
| N381900 | Метка | 2 | 610 Nm/450 lb.-ft | |||
| key | PART NO. | PART NAME | QTY | SERIAL NO. | REMARKS | |
| 4 | AT25226 | Шток вентиля шины | 2 | |||
| 5 | HXE14306 | Метка | 1 | 60 psi / 414 kPa | ||
| H232078 | Метка | 1 | 34 psi / 234 kPa | |||
| HXE48731 | Метка | 1 | 35 psi / 240 kPa |
| key | PART NO. | PART NAME | QTY | SERIAL NO. | REMARKS | |
|---|---|---|---|---|---|---|
| 1 | AH232760 | КОЛЕСО | 2 | 30X15A, 480/70R30 | ||
| AXE39061 | КОЛЕСО | 2 | 28X18L, 600/65R28, SUB FOR AH227712 | |||
| AXE12559 | КОЛЕСО | 2 | 26X25B, 28L-26 | |||
| AXE22873 | КОЛЕСО | 2 | 24X15L, 500/85R24 | |||
| AXE39063 | КОЛЕСО | 2 | 26X20B, 620/75R26, 23.1 LR26, SUB FOR AXE12558 | |||
| AXE39073 | КОЛЕСО | 2 | 26X25B, 750/65R26, 28LR26, SUB FOR AXE12560 | |||
| 2 | AH86866 | Заглушка | 2 | For AXE12559, AXE39063, AXE12560, AXE39073 | ||
| 3 | AT25226 | Шток вентиля шины | 2 | 30X15A | ||
| 4 | H231027 | Метка | 2 | |||
| 5 | H233581 | Метка | 2 | 315 Nm / 230 lb.-ft | ||
| key | PART NO. | PART NAME | QTY | SERIAL NO. | REMARKS | |
| 6 | H232080 | Метка | 1 | 52 psi / 359 kPa | ||
| HXE27933 | Метка | 1 | 44 psi / 303 kPa | |||
| HXE60520 | Метка | 1 | 42 psi / 290 kPa |
| key | PART NO. | PART NAME | QTY | SERIAL NO. | REMARKS | |
|---|---|---|---|---|---|---|
| 1 | AXE10351 | КОЛЕСО | 2 | 30X15A, 480/70R30 | ||
| AXE10349 | КОЛЕСО | 2 | 26X25B, 28LR26, 750/65R26 | |||
| AXE10350 | КОЛЕСО | 2 | 28X18L, 600/65R28 | |||
| AXE39413 | КОЛЕСО | 2 | 24X15L, 500/85R24, SUB FOR AXE22874 | |||
| AXE10348 | КОЛЕСО | 2 | 26X20B | |||
| AXE39069 | КОЛЕСО | 2 | 26X20B, 620/75R26 | |||
| 2 | AH86866 | Заглушка | 2 | For AXE10350, AXE10349, AXE10348 | ||
| 3 | AT25226 | Шток вентиля шины | 2 | |||
| 4 | H231027 | Метка | 2 | |||
| 5 | HXE44709 | Метка | 2 | 710 Nm / 524 lb.-ft | ||
| key | PART NO. | PART NAME | QTY | SERIAL NO. | REMARKS | |
| 6 | H232079 | Метка | 1 | 46 psi / 317 kPa | ||
| HXE60520 | Метка | 1 | 42 psi / 290 kPa |
| key | PART NO. | PART NAME | QTY | SERIAL NO. | REMARKS | |
|---|---|---|---|---|---|---|
| 1 | AH130626 | КОЛЕСО | 2 | Inner | ||
| 2 | H230598 | Метка | 2 | 36PSI / 248 Kpa | ||
| 3 | HXE38390 | Метка | 2 | 710Nm / 524LB-FT | ||
| 4 | H158975 | Метка | 2 | Dual Wheels | ||
| 5 | AT25226 | Шток вентиля шины | 1 |
| key | PART NO. | PART NAME | QTY | SERIAL NO. | REMARKS | |
|---|---|---|---|---|---|---|
| 1 | AH145348 | КОЛЕСО | 2 | 520/85R42 | ||
| 2 | H230599 | Метка | 2 | 30PSI / 207Kpa | ||
| 3 | HXE38390 | Метка | 2 | 710Nm / 524LB-FT | ||
| 4 | H158975 | Метка | 2 | Dual Wheels | ||
| 5 | BH92048 | Метка компл. нав. обор. | 1 | |||
| BH92066 | Полный комплект д/пост. | 1 | ||||
| BH92067 | Полный комплект д/пост. | 1 | ||||
| 6 | AT25226 | Шток вентиля шины | 2 |
| key | PART NO. | PART NAME | QTY | SERIAL NO. | REMARKS | |
|---|---|---|---|---|---|---|
| 1 | AT25226 | Шток вентиля шины | 2 | SUB FOR AT36212 APPL | ||
| 2 | AH147544 | Фланец | 2 | |||
| 3 | AH147546 | КОЛЕСО | 2 | 680/85R32 | ||
| 4 | H105822 | Кольцо | 2 | |||
| 5 | H111500 | Уплотнительное кольцо | 2 | |||
| 6 | HXE38390 | Метка | 2 | 710 Nm/524 LB-FT |
| key | PART NO. | PART NAME | QTY | SERIAL NO. | REMARKS | |
|---|---|---|---|---|---|---|
| 1 | AXE10349 | КОЛЕСО | 1 | 26X25B, 12PR, 275BC, 9.5 Outset | ||
| 2 | AT25226 | Шток вентиля шины | 1 | |||
| 3 | AH86866 | Заглушка | 1 | |||
| 4 | H230598 | Метка | 1 | 36 psi/248 kpa | ||
| 5 | H231027 | Метка | 1 | |||
| 6 | HXE44709 | Метка | 1 | 710 Nm/524 LB-FT | ||
| 7 | BH92159 | Полный комплект д/пост. | 1 |
| key | PART NO. | PART NAME | QTY | SERIAL NO. | REMARKS | |
|---|---|---|---|---|---|---|
| 1 | H168476 | Винт | 16 | |||
| 2 | H84375 | Кольцо | 2 |
| key | PART NO. | PART NAME | QTY | SERIAL NO. | REMARKS | |
|---|---|---|---|---|---|---|
| 1 | R116540 | Распорная втулка | 16 | USE WITH DECAL HXE38390 OR HXE44709 | ||
| 2 | R52006 | Шайба | 16 | USE WITH DECAL HXE38390 OR HXE44709 | ||
| 3 | R111437 | Винт с головкой | 16 | USE WITH DECAL HXE38390 OR HXE44709 | ||
| 4 | HXE84386 | Болт | 16 | USE WITH DECAL HXE110576 OR HXE110577 | ||
| 5 | HXE106786 | Распорная втулка | AR | USE WITH DECAL HXE110576 OR HXE110577 |
| key | PART NO. | PART NAME | QTY | SERIAL NO. | REMARKS | |
|---|---|---|---|---|---|---|
| 1 | R116540 | Распорная втулка | AR | USE WITH DECAL HXE38390 OR HXE44709 | ||
| 2 | R52006 | Шайба | AR | USE WITH DECAL HXE38390 OR HXE44709 | ||
| 3 | R201955 | Винт с головкой | AR | USE WITH DECAL HXE38390 | ||
| 4 | HXE11072 | Распорная втулка | AR | 50 mm, Single Wheels Only | ||
| 5 | HXE16110 | Шпилька | 1 | |||
| 6 | HXE110758 | Болт | AR | USE WITH DECAL HXE110576 | ||
| HXE84386 | Болт | AR | Drive Wheels, Dual W/ 50 mm Wheel Spacer D rive Wheels, Single W/O Wheel Spacer Rear W heels USE WITH DECAL HXE110576 OR HXE110577 | |||
| 7 | HXE106786 | Распорная втулка | AR | USE WITH DECAL HXE110576 OR HXE110577 |
| key | PART NO. | PART NAME | QTY | SERIAL NO. | REMARKS | |
|---|---|---|---|---|---|---|
| 1 | BXE10141 | Распорная втулка | 1 | 50 mm, Complete Goods Bundle | ||
| 2 | BH92131 | Распорная втулка | 1 | 50 mm, Complete Goods Bundle | ||
| BH92133 | Распорная втулка | 1 | 50 mm, Complete Goods Bundle | |||
| BH81416 | Распорная втулка | 1 | 100 mm, Complete Goods Bundle | |||
| BH92134 | Распорная втулка | 1 | 96 mm, , Complete Goods Bundle |
| key | PART NO. | PART NAME | QTY | SERIAL NO. | REMARKS | |
|---|---|---|---|---|---|---|
| 1 | R116540 | Распорная втулка | 20 | USE WITH DECAL HXE38390 OR HXE44709 | ||
| 2 | R52006 | Шайба | 20 | USE WITH DECAL HXE38390 OR HXE44709 | ||
| 3 | R111437 | Винт с головкой | 20 | USE WITH DECAL HXE38390 OR HXE44709 | ||
| 4 | HXE84386 | Болт | 20 | USE WITH DECAL HXE110576 OR HXE110577 | ||
| 5 | HXE16110 | Шпилька | 1 | |||
| 6 | HXE106786 | Распорная втулка | AR | USE WITH DECAL HXE110576 OR HXE110577 |
| key | PART NO. | PART NAME | QTY | SERIAL NO. | REMARKS | |
|---|---|---|---|---|---|---|
| 1 | R116540 | Распорная втулка | AR | USE WITH DECAL HXE38390 OR HXE44709 | ||
| 2 | R52006 | Шайба | AR | USE WITH DECAL HXE38390 OR HXE44709 | ||
| 3 | R111437 | Винт с головкой | AR | USE WITH DECAL HXE38390 OR HXE44709 | ||
| 4 | N379295 | Распорная втулка | 2 | |||
| 5 | HXE16110 | Шпилька | 2 | |||
| 6 | HXE84386 | Болт | AR | USE WITH DECAL HXE110576 OR HXE110577 | ||
| 7 | HXE106786 | Распорная втулка | AR | USE WITH DECAL HXE110576 OR HXE110577 |
| key | PART NO. | PART NAME | QTY | SERIAL NO. | REMARKS | |
|---|---|---|---|---|---|---|
| 1 | R116540 | Распорная втулка | AR | USE WITH DECAL HXE38390 OR HXE44709 | ||
| 2 | R52006 | Шайба | AR | USE WITH DECAL HXE38390 OR HXE44709 | ||
| 3 | R159285 | Винт с головкой | AR | USE WITH DECAL HXE38390 | ||
| 4 | H208150 | Втулка | AR | |||
| 5 | HXE16110 | Шпилька | 1 | |||
| 6 | HXE110759 | Болт | AR | USE WITH DECAL HXE110576 | ||
| HXE84386 | Болт | AR | Drive Wheels, Dual W/ 50 mm Wheel Spacer D rive Wheels, Single W/O Wheel Spacer Rear W heels USE WITH DECAL HXE110576 OR HXE110577 | |||
| 7 | HXE106786 | Распорная втулка | AR | USE WITH DECAL HXE110576 OR HXE110577 |
| key | PART NO. | PART NAME | QTY | SERIAL NO. | REMARKS | |
|---|---|---|---|---|---|---|
| 1 | BH80837 | Метка компл. нав. обор. | 1 | INCLUDES BH81747, BH845 91, BH81706 AND BH84596 | ||
| 2 | BH81706 | Распорная втулка | 2 | |||
| 3 | BH81747 | Комплект оборудования | 1 | |||
| 4 | BH84591 | Комплект тяги | 1 | |||
| 5 | BH84596 | Ведущий вал | 2 |
| key | PART NO. | PART NAME | QTY | SERIAL NO. | REMARKS | |
|---|---|---|---|---|---|---|
| 1 | 19M8288 | Винт с головкой | 12 | M24 X 90 | ||
| 2 | 24M7243 | Шайба | 12 | 25.400 X 50 X 6 mm | ||
| 3 | 14M7278 | Гайка | 12 | M24 | ||
| 4 | H87691 | Втулка | 4 | |||
| 5 | H130287 | Распорная втулка | 2 | |||
| 6 | H130288 | Гайка | 2 | |||
| 7 | 14M7431 | Гайка | 2 | M30 | ||
| 8 | H165510 | Шлицевое соединение | 2 | |||
| 9 | H134444 | Гильза | 2 | |||
| 10 | H131754 | Штифт | 2 | |||
| key | PART NO. | PART NAME | QTY | SERIAL NO. | REMARKS | |
| 11 | H133229 | Пружинное кольцо | 4 | |||
| 12 | 14M7533 | Гайка | 2 | M30 | ||
| 13 | BH81747 | Комплект оборудования | 1 |
| key | PART NO. | PART NAME | QTY | SERIAL NO. | REMARKS | |
|---|---|---|---|---|---|---|
| 1 | AXE12559 | КОЛЕСО | 2 | 26X25B, 10PR, 203.2BC, 63.8 OUTSET | ||
| 2 | H232158 | Метка | 2 | 26 psi/179 kpa | ||
| 3 | H233581 | Метка | 2 | 315Nm / 230LB-FT | ||
| 4 | H231027 | Метка | 2 | |||
| 5 | AT25226 | Шток вентиля шины | 2 | |||
| 6 | AH86866 | Заглушка | 2 | |||
| 7 | BH92092 | Полный комплект д/пост. | 1 |
| key | PART NO. | PART NAME | QTY | SERIAL NO. | REMARKS | |
|---|---|---|---|---|---|---|
| 1 | HXE110576 | Метка | 1 | 710 Nm/524 LB-FT, USE WITH HXE110758 | ||
| 2 | HXE38390 | Метка | 1 | 710 Nm/524 LB-FT, USE WITH R159285 | ||
| 3 | H158975 | Метка | 1 | |||
| 4 | H230599 | Метка | 1 | 30 psi/207 kPa | ||
| 5 | AT25226 | Шток вентиля шины | 1 | |||
| 6 | AXE39088 | КОЛЕСО | 1 | 38X23A, 650/85R38, SUB FOR AH218625 |
| key | PART NO. | PART NAME | QTY | SERIAL NO. | REMARKS | |
|---|---|---|---|---|---|---|
| 1 | BH92112 | Ручка | 2 |
| key | PART NO. | PART NAME | QTY | SERIAL NO. | REMARKS | |
|---|---|---|---|---|---|---|
| 1 | 14H904 | Гайка | 1 | 3/4" | ||
| 2 | 15H638 | Трубная заглушка | 1 | 1/8" | ||
| 3 | 19M7786 | Винт | 1 | M10 X 30 | ||
| 4 | 19M7844 | Винт | 1 | M16 X 45 | ||
| 5 | 19M8162 | Винт | 1 | M10 X 40 | ||
| 6 | 25M3827 | Штифт с канавкой | 2 | 3 X 8 mm | ||
| 7 | 42M7029 | Шпилька | 4 | |||
| 8 | AH20868 | Сапун | 1 | |||
| 9 | AH116104 | Датчик | 1 | |||
| 10 | AH121580 | Сито | 1 | |||
| key | PART NO. | PART NAME | QTY | SERIAL NO. | REMARKS | |
| 11 | AH125228 | Фитинг | 1 | |||
| 12 | AH128528 | Ротор | 1 | |||
| 13 | H104418 | Гайка | 1 |
| key | PART NO. | PART NAME | QTY | SERIAL NO. | REMARKS | |
|---|---|---|---|---|---|---|
| 1 | 12M7133 | Стопорная шайба | 2 | 6 mm | ||
| 2 | 14M7272 | Гайка | 2 | M6 | ||
| 3 | 19M7077 | Винт с головкой | 2 | M6 X 20 | ||
| 4 | 21M5631 | Винт | 1 | M6 X 45 | ||
| 5 | 34M7071 | Пружинный шплинт | 1 | 10 X 35 mm | ||
| 6 | 51M7042 | Уплотнительное кольцо | 1 | 13.300 X 2.200 mm | ||
| 7 | AH128267 | Рукоять | 1 | |||
| 8 | CE18374 | Пружинный шплинт | 1 | |||
| 9 | H167375 | Эксцентрик | 1 | |||
| 10 | H75700 | Шайба | 1 | |||
| key | PART NO. | PART NAME | QTY | SERIAL NO. | REMARKS | |
| 11 | N105745 | Шар | 1 | |||
| 12 | P47889 | Уплотнительное кольцо | 1 | |||
| 13 | RE46534 | Переключатель | 1 | |||
| 14 | T27888 | Пружина | 1 | |||
| 15 | Z13206 | Крышка | 1 | |||
| 16 | 24M7213 | Шайба | 1 | 10.500 X 25 X 4 mm | ||
| 17 | Z70299 | Втулка | 1 | |||
| 18 | HXE50827 | Винт | 1 |
| key | PART NO. | PART NAME | QTY | SERIAL NO. | REMARKS | |
|---|---|---|---|---|---|---|
| 1 | AR94761 | Внутр. кольцо подшипника | 1 | |||
| 2 | Z62543 | Передача | 1 | Z = 32 | ||
| 3 | 26M4228 | Шпонка вала | 2 | 8 X 28 mm | ||
| 4 | H129565 | Муфта переключателя | 1 | Z = 30 | ||
| 5 | P43969 | Пружинное кольцо | 1 | |||
| 6 | JD10182 | Внутр. кольцо подшипника | 1 | |||
| 7 | H110539 | Жиклер | 2 | |||
| 8 | AXE14185 | Жгут проводов | 1 |
| key | PART NO. | PART NAME | QTY | SERIAL NO. | REMARKS | |
|---|---|---|---|---|---|---|
| 1 | DE30014 | Кабель | 2 | |||
| 2 | H75358 | Установочный штифт | 1 | |||
| 3 | H82232 | Шайба | 1 | |||
| 4 | H82233 | Втулка | 1 | |||
| 5 | H82234 | Пластина | 1 | |||
| 6 | H126572 | Прокладка | 1 | TK = 0.05 mm, RH | ||
| 7 | H126573 | Прокладка | 2 | TK = 0.15 mm, RH | ||
| 8 | H126575 | Прокладка | 1 | TK = 0.50 mm, RH | ||
| 9 | H129525 | Шлицевое соединение | 1 | |||
| 10 | H129558 | Пружинное кольцо | 1 | |||
| key | PART NO. | PART NAME | QTY | SERIAL NO. | REMARKS | |
| 11 | H130407 | Каретка | 2 | |||
| 12 | H131296 | Масляная трубка | 1 | |||
| 13 | H131297 | Масляная трубка | 1 | |||
| 14 | H132892 | Прокладка | 2 | TK = 0.076 mm | ||
| 15 | H132893 | Прокладка | 3 | TK = 0.127 mm | ||
| 16 | H132894 | Прокладка | 8 | TK = 0.508 mm | ||
| 17 | H133165 | Кронштейн | 1 | |||
| 18 | H142030 | Корпус | 1 | |||
| 19 | H142031 | Гильза | 1 | |||
| 20 | H144385 | Крышка подшипника | 1 | |||
| key | PART NO. | PART NAME | QTY | SERIAL NO. | REMARKS | |
| 21 | H146640 | Магистраль | 1 | |||
| 22 | H165508 | Ось | 2 | |||
| 23 | JD7502 | Цилиндр. ролик. подшипник | 2 | |||
| 24 | JD8147 | Внутр. кольцо подшипника | 2 | |||
| 25 | JD8223 | Наружн. кольцо подшипн. | 1 | |||
| 26 | JD8237 | Наружн. кольцо подшипн. | 1 | |||
| 27 | JD8257 | Наружн. кольцо подшипн. | 1 | |||
| 28 | JD8267 | Наружн. кольцо подшипн. | 1 | |||
| 29 | M41029 | Пружинное кольцо | 2 | |||
| 30 | N102039 | Заглушка | 1 | |||
| key | PART NO. | PART NAME | QTY | SERIAL NO. | REMARKS | |
| 31 | 24M7338 | Шайба | 2 | 17 X 30 X 3 mm | ||
| 32 | R27796 | Уплотнительное кольцо | 2 | |||
| 33 | R394R | Уплотнительное кольцо | 8 | |||
| 34 | R44302 | Обвязной хомут | 3 | |||
| 35 | R495R | Уплотнительное кольцо | 2 | |||
| 36 | T76836 | Штифт | 1 | |||
| 37 | U10776 | Уплотнительное кольцо | 1 | |||
| 38 | AH89557 | Зажимная скоба | 2 | |||
| 39 | 19M7867 | Винт | 3 | M8 X 25 | ||
| 40 | H171550 | Кронштейн | 1 | |||
| key | PART NO. | PART NAME | QTY | SERIAL NO. | REMARKS | |
| 41 | 19M7865 | Винт | 2 | M8 X 16 | ||
| 42 | 37M7083 | Винт | 2 | M8 X 12 | ||
| 43 | 14M7298 | Фланцевая гайка | 3 | M8 | ||
| 44 | HXE37251 | Винт | 2 | |||
| 45 | 14M7291 | Фланцевая гайка | 4 | M16 | ||
| 46 | U10746 | Уплотнительное кольцо | 1 | |||
| 47 | H168869 | Скоба | 5 | SUB FOR R42009 APPL |
| key | PART NO. | PART NAME | QTY | SERIAL NO. | REMARKS | |
|---|---|---|---|---|---|---|
| 1 | R27175 | Пробка сливного отверстия | 2 | |||
| 2 | R26906 | Уплотнительное кольцо | 2 | |||
| 3 | ...... | Пружина | 2 | |||
| 4 | N126654 | Клапан | 2 | |||
| 5 | N128541 | Втулка | 1 | |||
| 6 | AH131308 | Комплект клапанов | 1 | |||
| 7 | U40729 | Защитное кольцо | 2 | |||
| 8 | N130510 | Уплотнительное кольцо | 2 | |||
| 9 | AN272356 | Сальник | 1 | |||
| 10 | R28782 | Уплотнительное кольцо | 4 | |||
| key | PART NO. | PART NAME | QTY | SERIAL NO. | REMARKS | |
| 11 | AN122497 | Редукционный клапан | 1 | |||
| 12 | U17409 | Уплотнительное кольцо | 1 | |||
| 13 | U15192 | Уплотнительное кольцо | 2 | |||
| 14 | H63289 | Уплотнительное кольцо | 1 | |||
| 15 | AZ51504 | Редукционный клапан | 2 | |||
| 16 | U17402 | Шайба | 2 | |||
| 17 | R51031 | Фитинг | 3 | |||
| 18 | 19H2228 | Винт с головкой | 4 | 3/8" X 4" | ||
| 19 | AH141811 | Расходный гидр. клапан | 1 | |||
| 20 | U12547 | Уплотнительное кольцо | 3 | |||
| key | PART NO. | PART NAME | QTY | SERIAL NO. | REMARKS | |
| 21 | XPD341 | Диагностическая муфта | 1 | |||
| 22 | R77175 | Крышка | 1 | |||
| .. | AXE16673 | Редукционный клапан | 1 |
| key | PART NO. | PART NAME | QTY | SERIAL NO. | REMARKS | |
|---|---|---|---|---|---|---|
| 1 | AXE15826 | Мотор | 1 | |||
| PG203341 | Гидравлич. мотор восст. | 1 | REMAN FOR AXE15826 | |||
| 2 | AH141811 | Расходный гидр. клапан | 1 | |||
| 3 | 19H2347 | Винт с головкой | 6 | 7/16" X 3" | ||
| 4 | 19H1899 | Винт с головкой | 2 | 7/16" X 2" | ||
| 5 | Z65083 | Регулировочный хомут | 2 | |||
| 6 | ...... | Блок цилиндра | 1 | ORDER AH169693 | ||
| 7 | H135702 | Прокладка | 1 | |||
| 8 | AH112678 | Прокладка | 1 | Includes 6 Shims of Thickness 0.003", 0 .005", 0.010", 0.015", 0.020" And 0.030" | ||
| 9 | AZ56795 | Сальник | 1 | |||
| key | PART NO. | PART NAME | QTY | SERIAL NO. | REMARKS | |
| 10 | AH65358 | Подшипник | 1 | |||
| 11 | H138901 | Пластина | 1 | |||
| 12 | Z65106 | Пластина | 1 | |||
| 13 | AZ51529 | Комплект гидроцилиндров | 1 | |||
| 14 | AZ42076 | Опора | 1 | |||
| 15 | Z65079 | Пластина | 1 | |||
| 16 | AZ51528 | Поршень | 1 | |||
| 17 | Z53122 | Прокладка | 1 | |||
| 18 | AZ51527 | Поршень | 1 | |||
| 19 | ...... | Наклонная пластина | 1 | ORDER AH169693 | ||
| key | PART NO. | PART NAME | QTY | SERIAL NO. | REMARKS | |
| 20 | AZ56818 | Ведущий вал | 1 | |||
| 21 | AH131392 | Комплект пластин | 1 | |||
| 22 | ...... | Корпус | 1 | ORDER AH169693 | ||
| 23 | H135571 | Уплотнительная шайба | 2 | |||
| 24 | 19H3192 | Винт | 2 | 5/16" X 3" | ||
| 25 | H64813 | Установочный штифт | 1 | |||
| 26 | 15H558 | Трубная заглушка | 1 | 1/8" | ||
| 27 | R27175 | Пробка сливного отверстия | 1 | |||
| 28 | U12547 | Уплотнительное кольцо | 1 | |||
| 29 | N126612 | Пружинное кольцо | 1 | |||
| key | PART NO. | PART NAME | QTY | SERIAL NO. | REMARKS | |
| 30 | 19H2228 | Винт с головкой | 4 | 3/8" X 4" | ||
| 31 | R26448 | Уплотнительное кольцо | 2 | |||
| 32 | AH125760 | Быстросъемн. гидр. муфта | 2 | |||
| 33 | R77175 | Крышка | 2 | |||
| 34 | H63271 | Штифт | 5 | |||
| 35 | AN272356 | Комплект уплотнений | 1 | |||
| 36 | ...... | Наружн. кольцо подшипн. | 1 | ORDER AZ42073 | ||
| 37 | JD7297 | Наружн. кольцо подшипн. | 1 | INCL KEY 36 KIT AZ56818 | ||
| 38 | H117461 | Кольцо | 1 | KIT AZ56818 | ||
| 39 | 19H3352 | Винт | 4 | 5/16" X 1-1/4" | ||
| key | PART NO. | PART NAME | QTY | SERIAL NO. | REMARKS | |
| 40 | H135700 | Пластина | 1 | |||
| 41 | N191174 | Пружина сжатия | 1 | |||
| 42 | N196034 | Уплотнительное кольцо | 1 | |||
| 43 | U15415 | Уплотнительное кольцо | 1 |
| key | PART NO. | PART NAME | QTY | SERIAL NO. | REMARKS | |
|---|---|---|---|---|---|---|
| 1 | JD8182 | Внутр. кольцо подшипника | 1 | |||
| 2 | JD7502 | Цилиндр. ролик. подшипник | 1 | |||
| 3 | R26265 | Пружинное кольцо | 4 | |||
| 4 | CE19099 | Передача | 1 | Z = 33 | ||
| 5 | H133010 | Муфта переключателя | 1 | |||
| 6 | Z12781 | Передача | 1 | Z = 41 | ||
| 7 | H103167 | Шайба | 1 | |||
| 8 | AT40603 | Сальник | 2 | |||
| 9 | B32564 | Кольцо | 2 | |||
| 10 | C3936E | Кольцо | 2 | |||
| key | PART NO. | PART NAME | QTY | SERIAL NO. | REMARKS | |
| 11 | CE18201 | Корпус | 1 | |||
| 12 | CE21688 | Тормозной барабан | 2 | |||
| 13 | DE19509 | Рычаг переключ. передач | 1 | |||
| 14 | R26207 | Каток | 2 | |||
| 15 | H76152 | Крепление со штифтом | 2 | |||
| 16 | L113217 | Зажимная скоба | 4 | |||
| 17 | H110539 | Жиклер | 1 | |||
| 18 | AH215151 | Вал сателлита | 1 | |||
| 19 | 26M4228 | Шпонка вала | 1 | 8 X 28 mm | ||
| 20 | CE18505 | Втулка | 1 | |||
| key | PART NO. | PART NAME | QTY | SERIAL NO. | REMARKS | |
| 21 | JD8979 | Внутр. кольцо подшипника | 1 | |||
| .. | PM37421 | Герметик | 1 |
| key | PART NO. | PART NAME | QTY | SERIAL NO. | REMARKS | |
|---|---|---|---|---|---|---|
| 1 | AXE10349 | КОЛЕСО | 1 | 26*25B, 275 BC, 9.5 Outset | ||
| 2 | H232158 | Метка | 1 | 26 psi/179 kpa | ||
| 3 | H231027 | Метка | 1 | |||
| 4 | HXE44709 | Метка | 1 | 710 Nm/524 LB-FT | ||
| 5 | AT25226 | Шток вентиля шины | 1 | |||
| 6 | AH86866 | Заглушка | 1 | |||
| 7 | BH92094 | Полный комплект д/пост. | 1 |
| key | PART NO. | PART NAME | QTY | SERIAL NO. | REMARKS | |
|---|---|---|---|---|---|---|
| 1 | AXE12560 | КОЛЕСО | 1 | |||
| 2 | H230598 | Метка | 1 | 36PSI / 248Kpa | ||
| 3 | H233581 | Метка | 1 | 315Nm / 230LB-FT | ||
| 4 | AT25226 | Шток вентиля шины | 1 | |||
| 5 | AH86866 | Заглушка | 1 | |||
| 6 | H231027 | Метка | 1 | |||
| 7 | BH92100 | Полный комплект д/пост. | 1 |
| key | PART NO. | PART NAME | QTY | SERIAL NO. | REMARKS | |
|---|---|---|---|---|---|---|
| 1 | AXE10349 | КОЛЕСО | 1 | 26*25B, 275 BC, 9.5 Outset | ||
| 2 | AT25226 | Шток вентиля шины | 1 | |||
| 3 | AH86866 | Заглушка | 1 | |||
| 4 | H232158 | Метка | 1 | 26 psi/179 kpa | ||
| 5 | H231027 | Метка | 1 | |||
| 6 | HXE44709 | Метка | 1 | 710 Nm/524 LB-FT | ||
| 7 | BH92093 | Полный комплект д/пост. | 1 |
| key | PART NO. | PART NAME | QTY | SERIAL NO. | REMARKS | |
|---|---|---|---|---|---|---|
| 1 | AXE12560 | КОЛЕСО | 2 | 166A8 R1 | ||
| 2 | AH86866 | Заглушка | 2 | |||
| 3 | AT25226 | Шток вентиля шины | 2 | |||
| 4 | H230598 | Метка | 2 | 36 psi/248 kpa | ||
| 5 | H233581 | Метка | 2 | |||
| 6 | H231027 | Метка | 2 | |||
| 7 | BH92096 | Полный комплект д/пост. | 1 |
| key | PART NO. | PART NAME | QTY | SERIAL NO. | REMARKS | |
|---|---|---|---|---|---|---|
| 1 | AXE10349 | КОЛЕСО | 1 | 26X25B, 275 BC, 9.5 Outset | ||
| 2 | H230598 | Метка | 1 | 36 PSI / 248 kpa | ||
| 3 | H231027 | Метка | 1 | |||
| 4 | HXE44709 | Метка | 1 | 710 Nm/524 LB-FT, USE WITH R111437 | ||
| 5 | AT25226 | Шток вентиля шины | 1 | |||
| 6 | AH86866 | Заглушка | 1 | |||
| 7 | HXE110576 | Метка | 1 | 710 Nm/524 LB-FT, USE WITH HXE110758 |
| key | PART NO. | PART NAME | QTY | SERIAL NO. | REMARKS | |
|---|---|---|---|---|---|---|
| 1 | HXE110576 | Метка | 1 | 710 Nm/524 LB-FT, USE WITH HXE110758 | ||
| 2 | HXE38390 | Метка | 1 | 710 Nm/524 LB-FT, USE WITH R159285 | ||
| 3 | H158975 | Метка | 1 | |||
| 4 | H230599 | Метка | 1 | 30 psi/207 kPa | ||
| 5 | AT25226 | Шток вентиля шины | 1 | |||
| 6 | AXE39088 | КОЛЕСО | 1 | USE WITH AH218625 |
| key | PART NO. | PART NAME | QTY | SERIAL NO. | REMARKS | |
|---|---|---|---|---|---|---|
| 1 | AH232256 | КОЛЕСО | 1 | |||
| 2 | H230599 | Метка | 1 | 30 psi/207 kPa | ||
| 3 | HXE38390 | Метка | 1 | 710Nm / 524LB-FT | ||
| 4 | AT25226 | Шток вентиля шины | 1 | |||
| 5 | AH86866 | Заглушка | 1 | |||
| 6 | BH92060 | Метка компл. нав. обор. | 1 |